彩博888

欢迎来到深圳市春亨工具仪器有限公司

进口加工测量工具综合供应商

彩博88816年经验总代理 | 品牌正规授权 | 专业售后支持

全国服务热线:

13612997620
13923746165

春亨产品中心

按产品特性分类
水平仪 偏心仪 角度计 直角尺 同心度仪 高速主轴 内外测卡规 打磨机 钻石膏 各种量表 磨刀石 研磨油石 切削刀具 研磨刷 研磨工具 磁性工具 放大镜 内视镜 卡尺 千分尺 圆周尺 扭力工具 针规 间隙规 速度测试 高度尺/计 测量工具 硬度计 段差尺 焊道规 V型座 磁性吸盘 推拉力计 吊重磁盘 工业胶粘剂 研磨抛光 钳类工具 旋具工具 热敏试纸 粘度计 电子称 金属锉刀 复制胶膜 螺帽规 背孔刀 气动主轴 自动换刀主轴 防静电主轴 MSIY电主轴 高精密主轴 大扭矩电主轴 高斯计 直角电主轴 进口百分表 扭力起子 中村扭力扳手 脱磁器 螺纹深度规 主轴增速刀柄 RBZ浮动主轴 中心出水电主轴 气浮主轴 螺纹规
按应用领域分类
工程机械 数控机床 汽车制造 电子/光电 橡胶皮革检测 船舶制造 实验室/研究院 纺织业 精加工 雕刻 珠宝首饰 陶瓷工业 抛光去毛刺 PCB分板机加工 铣削加工 钻孔动力头 医疗加工 走心机高频铣 浮动去毛刺 小径深孔加工
按品牌分类
AAA ASKER B2 BOWERS CITIZEN DMT FUJITOOL FISSO FUJIGEN HONDA GLOI HEINE KANETEC IMADA KANON KAYDIAMOND KROEPLIN MEYER MARUI MITUTOYO NAKANISHI PEACOCK PEAK PHOENIX PI-TAPE RSK RHEINTACHO SK SPI SUN SUPERTECH SWAN UNIVERSAL NOVAPAX XEBEC WIXEY Teclock tohnichi 富士KOSOKU RUBICON KEIBA TAJIMA NIKON Stanley SPI Engeering MARKAL PTC TMC THERMAX RION SHINKO STAO佐藤 TSUBOSAN OSKAR SCHWENK MARK-10 Microset starrett EENPAIX OJIYAS DIGITECH ROECKLE tites swiss Yamato Cherry DAIWA RABIN MSIY NRS PPS NSK

相关资讯

咨询热线:

13612997620

传真:彩博8880755-23033513

Q Q:

地址:彩博888深圳市宝安49区华创达文化科技产业园D栋507

prevnext

ASKER橡胶硬度测试台CL-150L

  • 日本ASKER橡胶硬度计测试台CL-150L,是市场上使用最广的一款手动橡胶硬度计测试台,可搭配硬度计型号有A型、A(AL)型、JA(JAL)型、C(C1L)型、E(EL)型、B(BL)型硬度计。
  • 咨询热线:0755-29695109
  • 产品详情

  • 联系我们

    日本ASKER手动硬度计测试台CL-150L


    橡胶硬度测试台CL-150.jpg


    日本ASKER橡胶硬度计测试台CL-150L,是市场上使用最广的一款手动型橡胶硬度计测试台,可搭配硬度计型号有A型、A(AL)型、JA(JAL)型、C(C1L)型、E(EL)型、B(BL)型硬度计。


    ASKER橡胶硬度测试台CL-150产品特点


          测定荷重: 该荷重计由本体,低荷重用柔性连接器和低荷重用砝码构成。测量压力恒定.

      测压速度: 使用带空气制动器的升降装置可保证测量速度恒定,也可以通过可调把手调整升降速度 .

      柔性连接系统: 柔性连接系统可保证测头与工件的完全接触,能够较好的测量倾斜表面.

      其他: 可与机械式和电子式ASKER硬度计连接使用.


    ASKER橡胶硬度测试台CL-150产品应用


    柔性连接器使稳定地,精确地和重复地测量硬度值成为可能.

    使用人手操作橡胶硬度计会影响测量的精度和重复性。高分子 CL-150橡胶硬度定压荷重仪,能够把人手操作存有的不稳定因素一一解除。专利的柔性连接系统和压力的保持系统确保在多次测量中,硬度计的压针都能以恒定的速度和压力,自行对齐并完全接触表面.



    ASKER'sTYPE 依据标准 应用:


    ◆  C SRIS 0101 海绵 软橡胶 瓷土 硬发泡橡胶 绕线盘

    ◆  C2 ﹍ 软海绵(一般用于C型软的材料)

    ◆  JA JIS K6301 A 一般橡胶

    ◆  A JIS K6253 A,ASTM D2240 A 一般橡胶

    ◆  B ASTM D2240 B 半硬橡胶 瓷土

    ◆  JC JIS K6301 C 半硬橡胶 软塑料

    ◆  D JIS K6253 D,ASTM D2240 D 硬橡胶 硬塑料

    ◆  JAL JIS K 6301 A 一般橡胶(凹进部位)

    ◆  CS ﹍ 笨己烯发泡


    ◆  F ﹍ 软发泡塑料 发泡橡胶

    ◆  FP ﹍ 化妆用粉扑

    ◆  C1L SRIS 0101 海绵 软橡胶(凹进部位)

    ◆  C2L ﹍ 软海绵(凹进部位)

    ◆  C3 ﹍ 硬发泡状橡胶

    ◆  AL JIS K6253 A,ASTM D2240 A 一般橡胶(凹进部位)

    ◆  DL JIS K6253 D,ASTM D2240 D 硬橡胶(凹进部位)

    ◆  BL ASTM D2240 B 半硬橡胶(凹进部位)

    ◆  单针(标准型)和双针(置位针)型


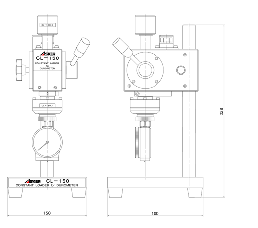
    ASKER橡胶硬度测试台CL-150规格尺寸


    本体尺寸 mm

    宽150× 厚 180× 最大高 430

    测试台有效尺寸mm

    宽150× 厚 40

    测量有效深度 mm

    70

    重量KG

    8.5

    适用硬度计

    A(AL)型、JA(JAL)型、C(C1L)型、E(EL)型、B(BL)型



    日本ASKER硬度计测试台CL-150L|ASKER橡胶硬度计|邵氏硬度计

    彩博888 订购:ASKER橡胶硬度测试台CL-150L

    联系我们 CONTACT US

    彩博888深圳市春亨工具仪器有限公司

    彩博888公司地址:深圳市宝安49区华创达文化科技产业园D栋507

    • 13923746165
    • tianguoxiu@prosperoustooling.com.cn

    关注我们QR CODE

    手机扫一扫

    返回顶部