春亨产品中心
- 按产品特性分类
- 水平仪 偏心仪 角度计 直角尺 同心度仪 高速主轴 内外测卡规 打磨机 钻石膏 各种量表 磨刀石 研磨油石 切削刀具 研磨刷 研磨工具 磁性工具 放大镜 内视镜 卡尺 千分尺 圆周尺 扭力工具 针规 间隙规 速度测试 高度尺/计 测量工具 硬度计 段差尺 焊道规 V型座 磁性吸盘 推拉力计 吊重磁盘 工业胶粘剂 研磨抛光 钳类工具 旋具工具 热敏试纸 粘度计 电子称 金属锉刀 复制胶膜 螺帽规 背孔刀 气动主轴 自动换刀主轴 防静电主轴 MSIY电主轴 高精密主轴 大扭矩电主轴 高斯计 直角电主轴 进口百分表 扭力起子 中村扭力扳手 脱磁器 螺纹深度规 主轴增速刀柄 RBZ浮动主轴 中心出水电主轴 气浮主轴 螺纹规
- 按应用领域分类
- 工程机械 数控机床 汽车制造 电子/光电 橡胶皮革检测 船舶制造 实验室/研究院 纺织业 精加工 雕刻 珠宝首饰 陶瓷工业 抛光去毛刺 PCB分板机加工 铣削加工 钻孔动力头 医疗加工 走心机高频铣 浮动去毛刺 小径深孔加工
- 按品牌分类
- AAA ASKER B2 BOWERS CITIZEN DMT FUJITOOL FISSO FUJIGEN HONDA GLOI HEINE KANETEC IMADA KANON KAYDIAMOND KROEPLIN MEYER MARUI MITUTOYO NAKANISHI PEACOCK PEAK PHOENIX PI-TAPE RSK RHEINTACHO SK SPI SUN SUPERTECH SWAN UNIVERSAL NOVAPAX XEBEC WIXEY Teclock tohnichi 富士KOSOKU RUBICON KEIBA TAJIMA NIKON Stanley SPI Engeering MARKAL PTC TMC THERMAX RION SHINKO STAO佐藤 TSUBOSAN OSKAR SCHWENK MARK-10 Microset starrett EENPAIX OJIYAS DIGITECH ROECKLE tites swiss Yamato Cherry DAIWA RABIN MSIY NRS PPS NSK
相关资讯
- 304不锈钢钻1.5X20mm的孔,加装CTS中心出水电主轴
- 中西NAKANISHI主轴在船舶行业的铣削应用
- 光学镜片如何检测不良品?用西铁城光学定寸表
- 中西NAKANISHI无碳刷打磨手柄IR-310,模具精密打磨!
- 广告切割专用高精度高速主轴
- 美国DMT冰刀磨刀石W250EFNB尺寸是多大?
- 机床水平仪为何要选择日本RSK品牌?
- NAKANISHI高速主轴助力数控机床行业快速发展
- NSK高速主轴
- 铣削电主轴EMA-3020K,实现车铣复合加工功能
- 日本中村KANON扭力工具,紧固螺钉好帮手
- 日本中村KANON扭力扳手,紧固件连接专家
- 德国进口卡规产品特点及运用领域
- NAKANISHI工业机器人必备换刀主轴-提高换刀效率
- 加工中心钻微孔神器,加装中西HES510增速刀柄
- SCM420合金钢钻2*7mm内孔,用大力矩电主轴BMS-4020
- RSK水平仪鼠年与您携手共创新篇章
- 0.5mm立铣刀铣削钢件?加装15万转气动主轴
- 液压泵阀板倒角去毛刺,用NAKANISHI高速主轴更高效
- 微小孔加工-NSK高速主轴为何备受关注
咨询热线:
13612997620
传真:0755-23033513
Q Q:
地址:彩博888深圳市宝安49区华创达文化科技产业园D栋507
产品详情
联系我们
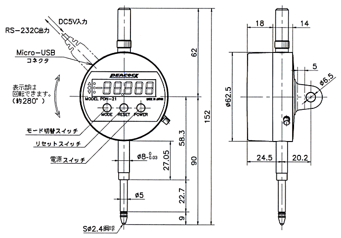
日本孔雀数显百分表PDN-CC,可切换读数,0.01mm/0.001mm。

PDN-CC使用案例

数显百分表PDN-CC使用案例

数显百分表 数显千分表 电子百分表
彩博888 订购:可切换数显百分表PDN-CC








1960544536 


