春亨产品中心
- 按产品特性分类
- 水平仪 偏心仪 角度计 直角尺 同心度仪 高速主轴 内外测卡规 打磨机 钻石膏 各种量表 磨刀石 研磨油石 切削刀具 研磨刷 研磨工具 磁性工具 放大镜 内视镜 卡尺 千分尺 圆周尺 扭力工具 针规 间隙规 速度测试 高度尺/计 测量工具 硬度计 段差尺 焊道规 V型座 磁性吸盘 推拉力计 吊重磁盘 工业胶粘剂 研磨抛光 钳类工具 旋具工具 热敏试纸 粘度计 电子称 金属锉刀 复制胶膜 螺帽规 背孔刀 气动主轴 自动换刀主轴 防静电主轴 MSIY电主轴 高精密主轴 大扭矩电主轴 高斯计 直角电主轴 进口百分表 扭力起子 中村扭力扳手 脱磁器 螺纹深度规 主轴增速刀柄 RBZ浮动主轴 中心出水电主轴 气浮主轴 螺纹规
- 按应用领域分类
- 工程机械 数控机床 汽车制造 电子/光电 橡胶皮革检测 船舶制造 实验室/研究院 纺织业 精加工 雕刻 珠宝首饰 陶瓷工业 抛光去毛刺 PCB分板机加工 铣削加工 钻孔动力头 医疗加工 走心机高频铣 浮动去毛刺 小径深孔加工
- 按品牌分类
- AAA ASKER B2 BOWERS CITIZEN DMT FUJITOOL FISSO FUJIGEN HONDA GLOI HEINE KANETEC IMADA KANON KAYDIAMOND KROEPLIN MEYER MARUI MITUTOYO NAKANISHI PEACOCK PEAK PHOENIX PI-TAPE RSK RHEINTACHO SK SPI SUN SUPERTECH SWAN UNIVERSAL NOVAPAX XEBEC WIXEY Teclock tohnichi 富士KOSOKU RUBICON KEIBA TAJIMA NIKON Stanley SPI Engeering MARKAL PTC TMC THERMAX RION SHINKO STAO佐藤 TSUBOSAN OSKAR SCHWENK MARK-10 Microset starrett EENPAIX OJIYAS DIGITECH ROECKLE tites swiss Yamato Cherry DAIWA RABIN MSIY NRS PPS NSK
相关资讯
- 曲面打磨抛光为何要选择msiy浮动主轴?
- 车铣复合机床钻微小斜孔,加装中西nakanishi高频铣
- 没错,这就是日本RSK水平仪
- 2021年春亨工具春节放假通知
- 日本NAKANISHI超精密高速主轴E3000系统使用注意事项
- 春亨工具分享:走心机日常使用和保养注意事项
- 进口自动化检测界限量表
- 技术服务:偏心检查器的使用方法
- 古代琉璃与现代NAKANISHI打磨机技术的完美结合
- 日本NSK自动换刀主轴,让数控机床加工更便捷!
- nakanishi电动打磨机手柄HG-200,轴径φ6mm
- NAKANISHI高速主轴使用问答集
- KBS-101小型砂带打磨机适合以下场合使用
- NSK手动换刀主轴NR40-5100ATC:PCB钻孔/切割精密利器
- NAKANISHI高速主轴新产品E2000系列
- NAKANISHI高速主轴夹具制作方法
- 买美国DMT磨刀石该如何选择正确的目数?
- 德国KROEPLIN卡规,让测量不是难题
- 不可或缺的机床校准工具——RSK水平仪
- 日本中村KANON单能型扭力起子的特点和用途
咨询热线:
彩博888 13612997620
传真:彩博8880755-23033513
Q Q:
地址:深圳市宝安49区华创达文化科技产业园D栋507
产品详情
联系我们
107F孔雀百分表
产品特点:

微型轴承
测头连接微型轴承,提升了测量的稳定性和敏感度。
O型环设计
O型环设计提高了防水和防油性。
淬火硬化,强度大
产品参数:

型号: 107F
精度:0.01mm
量程:10.0mm
测头型号为:X-1
特性:平背
型 式 | 目 量 | 测定范围 | 刻度规格 | 指示誤差 (μm) | 返回误差 | 重复 | 測定力 | ||||
1/10旋转(邻接误差) | 1/2旋转 | 1旋转 | 2旋转 | 全測定 | |||||||
107-HG | 0.01 | 10 | ±0 -50- 100 | 6 | ±7 | ±8 | ±10 | ±10 | 4 | 5 | 1.4 |
107-DX | 0.01 | 10 | ±0 -50- 100 | 8 | ±9 | ±10 | ±15 | ±15 | 5 | 5 | 1.4 |
107 | 0.01 | 10 | ±0 -50- 100 | 8 | ±9 | ±10 | ±15 | ±15 | 5 | 5 | 1.4 |
107F | 0.01 | 10 | ±0 -50- 100 | 8 | ±9 | ±10 | ±15 | ±15 | 5 | 5 | 1.4 |
107-SWA | 0.01 | 10 | ±0 -50- 100 | 8 | ±9 | ±10 | ±15 | ±15 | 5 | 5 | 1.4 |
107-BL | 0.01 | 10 | ±0 -50- 100 | 8 | ±9 | ±10 | ±15 | ±15 | 5 | 5 | 1.4 |
107-LL | 0.01 | 10 | ±0 -50- 100 | 8 | ±9 | ±10 | ±15 | ±15 | 5 | 5 | 1.4 |
107F-RE | 0.01 | 10 | ±0 -50- 100 | 8 | ±9 | ±10 | ±15 | ±15 | 5 | 5 | 1.4 |
107F-T | 0.01 | 10 | ±100 -50- 0 | 8 | ±9 | ±10 | ±15 | ±15 | 5 | 5 | 1.4 |
107-E | 0.01 | 10 | ±0 -50- 100 | 8 | ±9 | ±10 | ±15 | ±15 | 5 | 5 | 初圧 0.4 |
17 | 0.01 | 1 | 0 -50- 0 | 8 | ±9 | ±10 | -- | -- | 5 | 5 | 1.4 |
107W | 0.01 | 10 | ±0 -50- 100 | 8 | ±9 | ±10 | ±15 | ±15 | 5 | 5 | 1.4 |
57-SWA | 0.01 | 5 | ±0 -50- 100 | 8 | ±9 | ±10 | ±15 | ±15 | 5 | 5 | 1.4 |
57 | 0.01 | 5 | ±0 -50- 100 | 8 | ±9 | ±10 | ±15 | ±15 | 5 | 5 | 1.4 |
57F | 0.01 | 5 | ±0 -50- 100 | 8 | ±9 | ±10 | ±15 | ±15 | 5 | 5 | 1.4 |
57B | 0.01 | 5 | 0 -50- 0 | 8 | ±9 | ±10 | ±15 | ±15 | 5 | 5 | 1.4 |
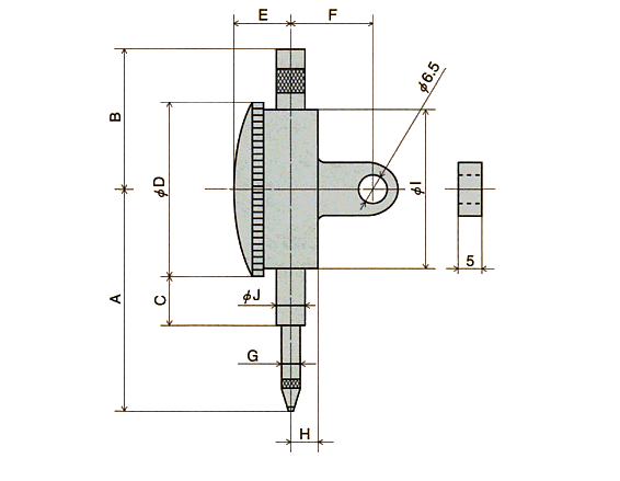
产品尺寸

型 式 | A | B | C | D | E | F | G | H | I |
107-HG | 65 | 41.5 | 18.5 | 53 | 14.5 | 20 | 4 | 6.5 | 49 |
107-DX | 65 | 50.7 | 17 | 55.7 | 14.5 | 20 | 5 | 7 | 52 |
107 | 65 | 41.5 | 18.5 | 53 | 14.5 | 20 | 4 | 6.5 | 49 |
107F | 65 | 41.5 | 18.5 | 53 | 14.5 | -- | 4 | 6.5 | 49 |
107-SWA | 68 | 41.5 | 17.5 | 55 | 15 | 20 | 4 | 6.5 | 49 |
107-BL | 65 | 41.5 | 18.5 | 53 | 14.5 | 4 | 6.5 | 49 | |
107F-RE | 65 | 41.5 | 18.5 | 53 | 14.5 | 20 | 4 | 6.5 | 49 |
107-LL | 65 | -- | 18.5 | 53 | 14.5 | 20 | 4 | 6.5 | 49 |
107W | 65 | 41.5 | 17.5 | 55 | 17 | 20 | 4 | 6.5 | 49 |
107F-T | 65 | 41.5 | 18.5 | 53 | 14.5 | -- | 4 | 6.5 | 49 |
107-E | 65 | 41.5 | 18.5 | 53 | 14.5 | 20 | 4 | 6.5 | 49 |
17 | 65 | 41.5 | 18.5 | 53 | 14.5 | 20 | 4 | 6.5 | 49 |
57-SWA | 65 | 41.5 | 18.5 | 55 | 15 | 20 | 4 | 6.5 | 49 |
57 | 65 | 41.5 | 18.5 | 53 | 14.5 | 20 | 4 | 6.5 | 49 |
57F | 65 | 41.5 | 18.5 | 53 | 14.5 | -- | 4 | 6.5 | 49 |
57B | 65 | 41.5 | 18.5 | 53 | 14.5 | -- | 4 | 6.5 | 49 |

订购:107F孔雀百分表





.png)


1960544536 


