春亨产品中心
- 按产品特性分类
- 水平仪 偏心仪 角度计 直角尺 同心度仪 高速主轴 内外测卡规 打磨机 钻石膏 各种量表 磨刀石 研磨油石 切削刀具 研磨刷 研磨工具 磁性工具 放大镜 内视镜 卡尺 千分尺 圆周尺 扭力工具 针规 间隙规 速度测试 高度尺/计 测量工具 硬度计 段差尺 焊道规 V型座 磁性吸盘 推拉力计 吊重磁盘 工业胶粘剂 研磨抛光 钳类工具 旋具工具 热敏试纸 粘度计 电子称 金属锉刀 复制胶膜 螺帽规 背孔刀 气动主轴 自动换刀主轴 防静电主轴 MSIY电主轴 高精密主轴 大扭矩电主轴 高斯计 直角电主轴 进口百分表 扭力起子 中村扭力扳手 脱磁器 螺纹深度规 主轴增速刀柄 RBZ浮动主轴 中心出水电主轴 气浮主轴 螺纹规
- 按应用领域分类
- 工程机械 数控机床 汽车制造 电子/光电 橡胶皮革检测 船舶制造 实验室/研究院 纺织业 精加工 雕刻 珠宝首饰 陶瓷工业 抛光去毛刺 PCB分板机加工 铣削加工 钻孔动力头 医疗加工 走心机高频铣 浮动去毛刺 小径深孔加工
- 按品牌分类
- AAA ASKER B2 BOWERS CITIZEN DMT FUJITOOL FISSO FUJIGEN HONDA GLOI HEINE KANETEC IMADA KANON KAYDIAMOND KROEPLIN MEYER MARUI MITUTOYO NAKANISHI PEACOCK PEAK PHOENIX PI-TAPE RSK RHEINTACHO SK SPI SUN SUPERTECH SWAN UNIVERSAL NOVAPAX XEBEC WIXEY Teclock tohnichi 富士KOSOKU RUBICON KEIBA TAJIMA NIKON Stanley SPI Engeering MARKAL PTC TMC THERMAX RION SHINKO STAO佐藤 TSUBOSAN OSKAR SCHWENK MARK-10 Microset starrett EENPAIX OJIYAS DIGITECH ROECKLE tites swiss Yamato Cherry DAIWA RABIN MSIY NRS PPS NSK
相关资讯
- 日本peacock孔雀百分表的测头有哪几种类型?
- NSK自动换刀分板机主轴,哪个型号刀具夹持力度更大?
- 进口百分表:PEACOCK百分表
- 日本NAKANISHI高速主轴在船舶业接线端子排的铣削应用
- 不是所有的量表都叫孔雀PEACOCK
- 日本Rs-Japan超声波主轴在石英玻璃上的深孔加工应用
- 如果上天能够再给我一次机会,请提醒我使用KANON扭力扳手
- 化妆品模具加工效率低?msiy微型精密电主轴来帮忙
- 津上S206走心机加装高频铣BM-320F,实现端面加工
- 不锈钢交叉孔去毛刺主轴——大扭矩主轴BMS-4020
- CNC加工中心四种传动结构主轴之电主轴选择!
- 普通机床安装水平调整方法
- 细数日本NAKANISHI电动打磨机的三大应用
- 春亨 工具与您相约广东国际机器人及智能装备展览会
- 为什么模具抛光人士都喜欢中西新款超声波打磨机?
- 你认识美国DMT磨刀石吗?你知道它有哪些优点吗?
- NAKANISHI主轴代理商,找春亨工具最正确的选择
- 机器人去毛刺抛光技术,选择NAKANISHI高速电主轴
- 德国kroeplin外卡规产品类型及应用范围
- 美国PPS手指触感指套:科技引领触感新纪元
咨询热线:
13612997620
传真:0755-23033513
Q Q:
地址:深圳市宝安49区华创达文化科技产业园D栋507
产品详情
联系我们
日本ASKER邵氏橡胶硬度计C型
产品简介:

软橡胶、海绵等产品的硬度测量
C型橡胶硬度计(邵氏)
彩博888主要应用于软质橡胶,海绵、以及其他发泡体的硬度测试,同时也广泛应用于测试绕线、胶片、布料等产品的硬度.
产品特点:

测针:高 2.54mm的半球形压针加压面 |
加压面与试料间接触的面积需在44*18mm尺寸范围以上的情况下才能正确测量,试料的测量部位狭小或者对凹陷部位进行检测的情况下,则使用长脚型硬度计(C1L型) |

彩博888上图所示为橡胶硬度计的种类图, 根据试样的种类设计不同的硬度计. 符合 JIS K 6253标准的A型橡胶硬度计是最普遍最常用的一款.但是通常情况下,测量值在10点~90点之间,使用A型硬度计,A90点以上时使用D型硬度计(硬质材料使用),A20点以下时使用C型或E型硬度计(软质材料使用)。就是说,根据试料的种类选择合适的机型最重要。
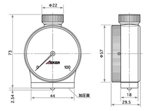
产品尺寸图:


产品参数:

符合标准 | JIS K 7312 |
测量刻度 | 0 点 ~100 点 (262° 刻度) |
最小刻度 | 1 点 (审定精度 ±1点) |
押针形状 mm | 高 2.54mm直径 φ5.08半球形 |
弹簧荷重 mN (g) | 0 点 539(55) |
加压面中心孔 mm | Φ5.5 |
加压面尺寸 mm | 44×18 (长方形) |
外形尺寸 mm | 约宽57× 厚 30× 高 76 |
重量 g | 200 |
用途 | 软橡胶、聚氨酯泡沫塑料、海绵、绕线、胶片 、瓷土 、鞋料 |
订购:ASKER邵氏硬度计C型





.jpg)




1960544536 


