春亨产品中心
- 按产品特性分类
- 水平仪 偏心仪 角度计 直角尺 同心度仪 高速主轴 内外测卡规 打磨机 钻石膏 各种量表 磨刀石 研磨油石 切削刀具 研磨刷 研磨工具 磁性工具 放大镜 内视镜 卡尺 千分尺 圆周尺 扭力工具 针规 间隙规 速度测试 高度尺/计 测量工具 硬度计 段差尺 焊道规 V型座 磁性吸盘 推拉力计 吊重磁盘 工业胶粘剂 研磨抛光 钳类工具 旋具工具 热敏试纸 粘度计 电子称 金属锉刀 复制胶膜 螺帽规 背孔刀 气动主轴 自动换刀主轴 防静电主轴 MSIY电主轴 高精密主轴 大扭矩电主轴 高斯计 直角电主轴 进口百分表 扭力起子 中村扭力扳手 脱磁器 螺纹深度规 主轴增速刀柄 RBZ浮动主轴 中心出水电主轴 气浮主轴 螺纹规
- 按应用领域分类
- 工程机械 数控机床 汽车制造 电子/光电 橡胶皮革检测 船舶制造 实验室/研究院 纺织业 精加工 雕刻 珠宝首饰 陶瓷工业 抛光去毛刺 PCB分板机加工 铣削加工 钻孔动力头 医疗加工 走心机高频铣 浮动去毛刺 小径深孔加工
- 按品牌分类
- AAA ASKER B2 BOWERS CITIZEN DMT FUJITOOL FISSO FUJIGEN HONDA GLOI HEINE KANETEC IMADA KANON KAYDIAMOND KROEPLIN MEYER MARUI MITUTOYO NAKANISHI PEACOCK PEAK PHOENIX PI-TAPE RSK RHEINTACHO SK SPI SUN SUPERTECH SWAN UNIVERSAL NOVAPAX XEBEC WIXEY Teclock tohnichi 富士KOSOKU RUBICON KEIBA TAJIMA NIKON Stanley SPI Engeering MARKAL PTC TMC THERMAX RION SHINKO STAO佐藤 TSUBOSAN OSKAR SCHWENK MARK-10 Microset starrett EENPAIX OJIYAS DIGITECH ROECKLE tites swiss Yamato Cherry DAIWA RABIN MSIY NRS PPS NSK
相关资讯
- 如何选择合适的日本NSK打磨机磨头型号?
- 测厚度,选择卡尺还是PEACOCK厚度表?
- 去除塑料制品合模线?机械臂加装MSIY-30浮动主轴
- 日本NAKANSIHI分板机主轴无尘无毛刺防静电创新工艺
- 机械臂去毛刺,可加装MSIY-4020浮动主轴
- 排刀机侧面孔用哪个牌子高速主轴好?
- 干货分享!减小数控铣床切削振动12种方法!
- 出4套6万转防尘分板机主轴,PCB电路板精密切割
- 2022年春亨工具春节放假通知
- 细孔类工件修边/研磨/去毛刺精加工,选中西打磨机
- 津上走心机BO124加装NAKANISHI高速主轴RAS-151E
- 刀座孔25mm刀塔机,加装外径25mm气动主轴
- 孔雀杠杆表
- 日本本多HONDA超声波切割刀工作原理
- 【进口水平尺】选对了,用户才会满意而笑
- 1.5N.m大扭矩浮动主轴,去凸台、焊缝打磨抛光必备
- 奥爵士ojiyas数显螺纹深度规,快速测量内螺纹深度
- 铝合金钻4*5mm盲孔,转速开到多少才合适呢?
- 铸铁打磨去毛刺,用MSIY-40浮动主轴去除
- 您与高效浮动去毛刺只差一支KATO浮动主轴
咨询热线:
13612997620
传真:0755-23033513
Q Q:
地址:彩博888深圳市宝安49区华创达文化科技产业园D栋507
产品详情
联系我们
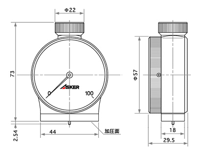
ASKER橡胶硬度计JA型
产品特点:


压针的形状高度2.54毫米的圆锥梯形。

加压面与试料间接触的面积需在44*18mm尺寸范围以上的情况下才能正确测量,试料的测量部位狭小或者对凹陷部位进行检测的情况下,则使用长脚型硬度计(JAL型)
规格选择图:


上图所示为橡胶硬度计的种类图, 根据试样的种类设计不同的硬度计. 符合 JIS K 6253标准的A型橡胶硬度计是最普遍最常用的一款.但是通常情况下,测量值在10点~90点之间,使用A型硬度计,A90点以上时使用D型硬度计(硬质材料使用),A20点以下时使用C型或E型硬度计(软质材料使用)。就是说,根据试料的种类选择合适的机型最重要。
规格尺寸:

符合标准 | JIS K 6301 |
测量刻度 | 0 点 ~100 点 (262° 刻度) |
最小刻度 | 1 点 (审定精度 ±1 点) |
押针形状 mm | 高 2.54 35°圆锥形 端面Φ0.79 |
弹簧荷重 mN (g) | 0 点 539(55) |
加压面中心孔 mm | Φ3 |
加压面尺寸 mm | 44×18(长方形) |
外形尺寸 mm | 约宽57× 厚 30× 高 76 |
重量 g | 200 |
用途 | 一般软橡胶材料 |

订购:ASKER橡胶硬度计JA型








1960544536 


