春亨产品中心
- 按产品特性分类
- 水平仪 偏心仪 角度计 直角尺 同心度仪 高速主轴 内外测卡规 打磨机 钻石膏 各种量表 磨刀石 研磨油石 切削刀具 研磨刷 研磨工具 磁性工具 放大镜 内视镜 卡尺 千分尺 圆周尺 扭力工具 针规 间隙规 速度测试 高度尺/计 测量工具 硬度计 段差尺 焊道规 V型座 磁性吸盘 推拉力计 吊重磁盘 工业胶粘剂 研磨抛光 钳类工具 旋具工具 热敏试纸 粘度计 电子称 金属锉刀 复制胶膜 螺帽规 背孔刀 气动主轴 自动换刀主轴 防静电主轴 MSIY电主轴 高精密主轴 大扭矩电主轴 高斯计 直角电主轴 进口百分表 扭力起子 中村扭力扳手 脱磁器 螺纹深度规 主轴增速刀柄 RBZ浮动主轴 中心出水电主轴 气浮主轴 螺纹规
- 按应用领域分类
- 工程机械 数控机床 汽车制造 电子/光电 橡胶皮革检测 船舶制造 实验室/研究院 纺织业 精加工 雕刻 珠宝首饰 陶瓷工业 抛光去毛刺 PCB分板机加工 铣削加工 钻孔动力头 医疗加工 走心机高频铣 浮动去毛刺 小径深孔加工
- 按品牌分类
- AAA ASKER B2 BOWERS CITIZEN DMT FUJITOOL FISSO FUJIGEN HONDA GLOI HEINE KANETEC IMADA KANON KAYDIAMOND KROEPLIN MEYER MARUI MITUTOYO NAKANISHI PEACOCK PEAK PHOENIX PI-TAPE RSK RHEINTACHO SK SPI SUN SUPERTECH SWAN UNIVERSAL NOVAPAX XEBEC WIXEY Teclock tohnichi 富士KOSOKU RUBICON KEIBA TAJIMA NIKON Stanley SPI Engeering MARKAL PTC TMC THERMAX RION SHINKO STAO佐藤 TSUBOSAN OSKAR SCHWENK MARK-10 Microset starrett EENPAIX OJIYAS DIGITECH ROECKLE tites swiss Yamato Cherry DAIWA RABIN MSIY NRS PPS NSK
相关资讯
- NR40-5100ATC与NR50-5100ATC,哪一款更好用?
- 日本中村KANON活动开头扳手HYK的特点
- 美国UNIVERSAL环球同心度仪
- 日本NAKANISHI自动换刀主轴NR4040-AQC的应用
- 复杂工件检测就用德国进口卡规
- NSK电动打磨机高效缩短木匠产品生产周期
- 津上走心机385设计治具加装高频铣,实现精密侧铣
- 走心机刀座孔不常规,怎么加装高频铣?
- 浮动去毛刺主轴,优选日本NAKANISHI高速电主轴
- RSK条式水平仪使用方法
- 加配PEACOCK孔雀界限量表实现自动化全检
- 钢件小径钻深孔,BMS-4020-MQL统统帮你解决!
- 日本KANON中村指针式扭力起子
- NAKANISHI主轴BT系列主轴如何安装
- 广告材料切割利器——NAKANISHI中西NSK高速主轴
- 日本强力脱磁器,快速有效脱磁装置
- TD8900磁通计是用来做什么的?具有哪些优势?
- 铣削电主轴EMA-3020K,实现车铣复合加工功能
- NAKANISHI分板机主轴维修,找深圳春亨工具
- NAKANISHI高速电主轴E2000系列常用型号有哪些?
咨询热线:
13612997620
传真:彩博8880755-23033513
Q Q:
地址:深圳市宝安49区华创达文化科技产业园D栋507
产品详情
联系我们
ASKER橡胶硬度计JAL型
JAL型橡胶硬度计产品特点:


压针的形状高度2.54毫米的圆锥梯形
规格选择图


上图所示为橡胶硬度计的种类图, 根据试样的种类设计不同的硬度计. 符合 JIS K 6253标准的A型橡胶硬度计是最普遍最常用的一款.但是通常情况下,测量值在10点~90点之间,使用A型硬度计,A90点以上时使用D型硬度计(硬质材料使用),A20点以下时使用C型或E型硬度计(软质材料使用)。就是说,根据试料的种类选择合适的机型最重要。
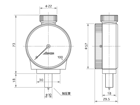
JAL橡胶硬度计规格尺寸


符合标准 | JIS K 6301 |
测量刻度 | 0 点 ~100 点 (262° 刻度) |
最小刻度 | 1 点 (审定精度 ±1 点) |
押针形状 mm | 高 2.54 35°圆锥形 端面Φ0.79 |
弹簧荷重 mN (g) | 0 点 539(55) |
加压面中心孔 mm | Φ3 |
加压面尺寸 mm | Φ12 脚部长L 18 |
外形尺寸 mm | 约宽57× 厚 30× 高 94 |
重量 g | 200 |
用途 | 一般软橡胶材料 |

asker硬度计,橡胶硬度计,ASKER硬度计代理商
订购:ASKER橡胶硬度计JAL型








1960544536 


