春亨产品中心
- 按产品特性分类
- 水平仪 偏心仪 角度计 直角尺 同心度仪 高速主轴 内外测卡规 打磨机 钻石膏 各种量表 磨刀石 研磨油石 切削刀具 研磨刷 研磨工具 磁性工具 放大镜 内视镜 卡尺 千分尺 圆周尺 扭力工具 针规 间隙规 速度测试 高度尺/计 测量工具 硬度计 段差尺 焊道规 V型座 磁性吸盘 推拉力计 吊重磁盘 工业胶粘剂 研磨抛光 钳类工具 旋具工具 热敏试纸 粘度计 电子称 金属锉刀 复制胶膜 螺帽规 背孔刀 气动主轴 自动换刀主轴 防静电主轴 MSIY电主轴 高精密主轴 大扭矩电主轴 高斯计 直角电主轴 进口百分表 扭力起子 中村扭力扳手 脱磁器 螺纹深度规 主轴增速刀柄 RBZ浮动主轴 中心出水电主轴 气浮主轴 螺纹规
- 按应用领域分类
- 工程机械 数控机床 汽车制造 电子/光电 橡胶皮革检测 船舶制造 实验室/研究院 纺织业 精加工 雕刻 珠宝首饰 陶瓷工业 抛光去毛刺 PCB分板机加工 铣削加工 钻孔动力头 医疗加工 走心机高频铣 浮动去毛刺 小径深孔加工
- 按品牌分类
- AAA ASKER B2 BOWERS CITIZEN DMT FUJITOOL FISSO FUJIGEN HONDA GLOI HEINE KANETEC IMADA KANON KAYDIAMOND KROEPLIN MEYER MARUI MITUTOYO NAKANISHI PEACOCK PEAK PHOENIX PI-TAPE RSK RHEINTACHO SK SPI SUN SUPERTECH SWAN UNIVERSAL NOVAPAX XEBEC WIXEY Teclock tohnichi 富士KOSOKU RUBICON KEIBA TAJIMA NIKON Stanley SPI Engeering MARKAL PTC TMC THERMAX RION SHINKO STAO佐藤 TSUBOSAN OSKAR SCHWENK MARK-10 Microset starrett EENPAIX OJIYAS DIGITECH ROECKLE tites swiss Yamato Cherry DAIWA RABIN MSIY NRS PPS NSK
相关资讯
- 黄铜钻0.3mm的小孔,用走心机怎么加工?
- 春亨工具进口水平仪,现货特价供应引销售狂潮
- “微米级的匠心,遇见亿万年峰林”——春亨工具2025张家界奇幻之旅
- 压铸件去毛刺的13种方法,目前最流行哪种?
- 油泥模型工具专用磨刀石
- 日本孔雀peacock杠杆百分表的特点
- KROEPLIN专业内卡规
- 西铁城走心机A20加装高频铣,刀座孔不匹配怎么办?
- 精密加工如何选择高速主轴?
- 富士元电动倒角机,精密零部件的倒角神器
- 如何用NAKANISHI电动打磨机进行玉石玉器打磨抛光
- 铜件钻1.5X47mm的小径深孔,用NSK中心出水主轴
- 铝合金φ12.0mm端铣,用中西NAKANISHI大扭矩主轴
- 碳钢S55C钻孔,用日本高速电主轴BMS-4020
- NAKANISHI主轴新产品
- 水平尺如何使用
- 一文看懂日本NAKANISHI高速主轴的六大系列及应用
- 机器人钢件铣削振动大?高刚性主轴BMS-4040-RGD
- 日本NAKANISHI浮动去毛刺主轴产品优势分析
- 日本KANON中村针盘式扭力扳手的使用步骤
咨询热线:
彩博888 13612997620
传真:0755-23033513
Q Q:
地址:彩博888深圳市宝安49区华创达文化科技产业园D栋507
产品详情
联系我们
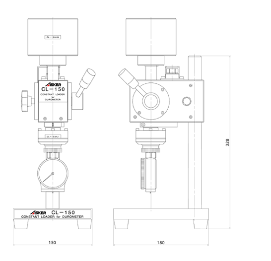
日本ASKER橡胶硬度测试台CL-150H现货供应
ASKER橡胶硬度测试台CL-150H产品特点

测定荷重: 该荷重计由本体,低荷重用柔性连接器和低荷重用砝码构成。测量压力恒定。
测压速度: 使用带空气制动器的升降装置可保证测量速度恒定,也可以通过可调把手调整升降速度 。
柔性连接系统: 柔性连接系统可保证测头与工件的完全接触,能够较好的测量倾斜表面。
其他: 可与机械式和电子式ASKER硬度计连接使用。
ASKER橡胶硬度测试台CL-150H规格尺寸

本体尺寸 mm | 约 宽150× 厚 180× 最大高 430 |
测试台有效尺寸mm | 约 宽150× 厚 140 |
测量有效深度 mm | 70 |
重量KG | 12 |
适用硬度计 | D(DL)型、JC(JCL)型、CS型 |
ASKER橡胶硬度测试台CL-150H产品应用

柔性连接器使稳定地,精确地和重复地测量硬度值成为可能.
使用人手操作橡胶硬度计会影响测量的精度和重复性。
高分子 CL-150橡胶硬度定压荷重仪,能够把人手操作存有的不稳定因素一一解除。
专利的柔性连接系统和压力的保持系统确保在多次测量中,硬度计的压针都能以恒定的速度和压力,自行对齐并完全接触表面.
型号 | 适用硬度计 | 测定荷重 |
CL-150L | A、JA、B、C、E | 1000g1250g |
CL-150H | D、JC | 5000g |
CL-150M | 上记各型号 | 1000g 1250g5000g |
ASKER橡胶硬度测试台CL-150H产品尺寸


彩博888 订购:ASKER橡胶硬度测试台CL-150H








1960544536 


