春亨产品中心
- 按产品特性分类
- 水平仪 偏心仪 角度计 直角尺 同心度仪 高速主轴 内外测卡规 打磨机 钻石膏 各种量表 磨刀石 研磨油石 切削刀具 研磨刷 研磨工具 磁性工具 放大镜 内视镜 卡尺 千分尺 圆周尺 扭力工具 针规 间隙规 速度测试 高度尺/计 测量工具 硬度计 段差尺 焊道规 V型座 磁性吸盘 推拉力计 吊重磁盘 工业胶粘剂 研磨抛光 钳类工具 旋具工具 热敏试纸 粘度计 电子称 金属锉刀 复制胶膜 螺帽规 背孔刀 气动主轴 自动换刀主轴 防静电主轴 MSIY电主轴 高精密主轴 大扭矩电主轴 高斯计 直角电主轴 进口百分表 扭力起子 中村扭力扳手 脱磁器 螺纹深度规 主轴增速刀柄 RBZ浮动主轴 中心出水电主轴 气浮主轴 螺纹规
- 按应用领域分类
- 工程机械 数控机床 汽车制造 电子/光电 橡胶皮革检测 船舶制造 实验室/研究院 纺织业 精加工 雕刻 珠宝首饰 陶瓷工业 抛光去毛刺 PCB分板机加工 铣削加工 钻孔动力头 医疗加工 走心机高频铣 浮动去毛刺 小径深孔加工
- 按品牌分类
- AAA ASKER B2 BOWERS CITIZEN DMT FUJITOOL FISSO FUJIGEN HONDA GLOI HEINE KANETEC IMADA KANON KAYDIAMOND KROEPLIN MEYER MARUI MITUTOYO NAKANISHI PEACOCK PEAK PHOENIX PI-TAPE RSK RHEINTACHO SK SPI SUN SUPERTECH SWAN UNIVERSAL NOVAPAX XEBEC WIXEY Teclock tohnichi 富士KOSOKU RUBICON KEIBA TAJIMA NIKON Stanley SPI Engeering MARKAL PTC TMC THERMAX RION SHINKO STAO佐藤 TSUBOSAN OSKAR SCHWENK MARK-10 Microset starrett EENPAIX OJIYAS DIGITECH ROECKLE tites swiss Yamato Cherry DAIWA RABIN MSIY NRS PPS NSK
相关资讯
- 告诉你,如何挑选一款满意的厚度表,实现高效测量
- msiy-62电主轴居然还能变成中心出水电主轴?
- 真假RSK水平仪,如何辨别?
- 不断完善NAKANISHI主轴技术支持,解决客户所需!
- 美国环球universal精密量规,深度规、通止规、螺纹量规
- 压铸件去毛刺用NAKANISHI浮动电主轴
- 印度修订五年计划,促清洁能源汽车发展斥资35亿美元
- NSK电动打磨机高效缩短木匠产品生产周期
- 机械手气动锉刀浮动去毛刺有哪些优势?
- 铝件、钢件去表面刀纹,用XEBEC表面研磨刷
- 德国Kroeplin喷雾罐卡规
- 走心机加装高频铣?加装msiy-2012电主轴更省钱
- 看似一样,却能给您不同感受的水平尺就在这里
- CNC加工中心四种传动结构主轴之电主轴选择!
- KROEPLIN进口卡规
- 正确使用日本孔雀杠杆百分表10项具体步骤
- 机床水平调整,RSK水平仪是首选
- 如何正确使用KROEPLIN卡规
- 日本NSK超声波打磨机US-25PBS使用方法
- 走心机侧铣精度不高怎么办?加装NAKANSIHI直角电主轴
咨询热线:
彩博888 13612997620
传真:彩博8880755-23033513
Q Q:
地址:彩博888深圳市宝安49区华创达文化科技产业园D栋507
产品详情
联系我们
机械臂末端AF20自动化浮动去毛刺刀柄

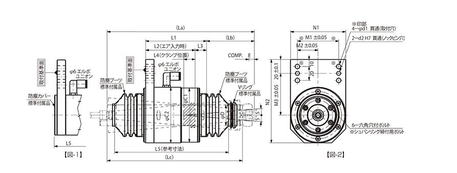
彩博888日本fine-techno机械臂自动化去毛刺浮动刀柄AF20,是一种气浮式去毛刺附件,可以去除铸铁、铝合金、树脂等工件毛刺,搭配电主轴、气动锉刀就能使用,浮动力可以通过外部气压自动控制,气压调节范围为0.05MPa-0.2MPa,AF20浮动头可实现轴向上下5mm,径向360度±5°的双向浮动。
AF20浮动去毛刺刀柄特点
AF20气浮式去毛刺刀柄——针对去毛刺加工时具有以下优势:
1)刀具与工件柔性接触,可防止多切现象;
2)刀具与工件之间的压付力可以调节;
3)可消除工件误差、定位误差,确保刀具与工件亲密接触;
彩博8883)通过调整浮动力,可以同时去除很小的毛刺和比较的水口部。
AF20浮动去毛刺刀柄浮动方向
(1)径向浮动

彩博888AF20浮动去毛刺刀柄可自动吸收X轴和Y轴方向上末测量部分的毛刺
气浮(电机主轴安装部分)偏离(倾斜)轴最大5°,并且在偏离时可以在径向方向上自由移动360°。
(2)轴向浮动

AF20浮动去毛刺刀柄还可自动吸手Z轴方向未测量不问的毛刺,AF20浮动去毛刺刀柄的轴向浮动力大小为上下5mm.
AF20浮动去毛刺刀柄浮动力怎么调节?
彩博888AF20浮动去毛刺刀柄的浮动力可根据工件材料自动调节:具体为

1 、通过调节供应给气浮部分的气压,客户可以自由调节浮力(刀片的压力)。
2、 使用精密调节器(标准附件)调节气压。
彩博888 3 、气压调节范围为0.05MPa至0.2MPa。
4、 请注意,根据去毛刺棒压在工件上的姿势,浮动力会略有不同。
彩博888 5 、浮动力可以通过使用电动气动调节器实现自动化。
AF20浮动去毛刺刀柄可搭配什么工具加工?
AF20浮动去毛刺刀柄可搭配外径20mm的电主轴、气动主轴、气动锉刀等(20mm的安装孔)搭配使用耗材有:铣刀、旋转锉、锥度铣刀、钢丝刷、金钢石磨头、金钢石磨片、切割轮等。
AF20浮动去毛刺刀柄产品参数
| 型号 | 浮动方式 | 浮动范围 | 浮动压力 | 动力形式 | 功率 | 转速 | 扭矩 | 夹头 | 重量 |
| AF20 | 双向浮动 | 360°±5 °Z向5mm | 0.05-0.5Mpa | 气动/电动 | 120W | 19000 | 0.25N·m | 0.5-4.0 | 0.76kg |
AF20浮动去毛刺刀柄产品尺寸


彩博888 订购:FT浮动去毛刺主轴AF20








1960544536