春亨产品中心
- 按产品特性分类
- 水平仪 偏心仪 角度计 直角尺 同心度仪 高速主轴 内外测卡规 打磨机 钻石膏 各种量表 磨刀石 研磨油石 切削刀具 研磨刷 研磨工具 磁性工具 放大镜 内视镜 卡尺 千分尺 圆周尺 扭力工具 针规 间隙规 速度测试 高度尺/计 测量工具 硬度计 段差尺 焊道规 V型座 磁性吸盘 推拉力计 吊重磁盘 工业胶粘剂 研磨抛光 钳类工具 旋具工具 热敏试纸 粘度计 电子称 金属锉刀 复制胶膜 螺帽规 背孔刀 气动主轴 自动换刀主轴 防静电主轴 MSIY电主轴 高精密主轴 大扭矩电主轴 高斯计 直角电主轴 进口百分表 扭力起子 中村扭力扳手 脱磁器 螺纹深度规 主轴增速刀柄 RBZ浮动主轴 中心出水电主轴 气浮主轴 螺纹规
- 按应用领域分类
- 工程机械 数控机床 汽车制造 电子/光电 橡胶皮革检测 船舶制造 实验室/研究院 纺织业 精加工 雕刻 珠宝首饰 陶瓷工业 抛光去毛刺 PCB分板机加工 铣削加工 钻孔动力头 医疗加工 走心机高频铣 浮动去毛刺 小径深孔加工
- 按品牌分类
- AAA ASKER B2 BOWERS CITIZEN DMT FUJITOOL FISSO FUJIGEN HONDA GLOI HEINE KANETEC IMADA KANON KAYDIAMOND KROEPLIN MEYER MARUI MITUTOYO NAKANISHI PEACOCK PEAK PHOENIX PI-TAPE RSK RHEINTACHO SK SPI SUN SUPERTECH SWAN UNIVERSAL NOVAPAX XEBEC WIXEY Teclock tohnichi 富士KOSOKU RUBICON KEIBA TAJIMA NIKON Stanley SPI Engeering MARKAL PTC TMC THERMAX RION SHINKO STAO佐藤 TSUBOSAN OSKAR SCHWENK MARK-10 Microset starrett EENPAIX OJIYAS DIGITECH ROECKLE tites swiss Yamato Cherry DAIWA RABIN MSIY NRS PPS NSK
相关资讯
- 瑞士FISSO磁性表座
- 机械臂自动换刀电主轴,扭矩最大多少牛米?
- 看日本NSK自动换刀主轴,如何快速实现自动化去毛刺?
- 小型高精密主轴哪个牌子好?日本NAKANISHI小型主轴任你选
- 各类卡尺的使用方法,你用对了吗?
- 走芯机高频铣铣削内槽案例说明
- NAKANISHI中西NSK主轴售后维在中国
- 高精度同心度测试仪--美国环球UNIVERSAL
- 走心机钛合金铣梅花,加装NAKANISHI高频铣
- 压铸铝去合模线方案:机械臂加装MSIY-40浮动主轴
- ABS材料切割,机械臂加装NAKANISHI高速电主轴
- 日本PEACOCK孔雀杠杆表
- 自动换刀主轴NR3060-AQC换刀异常怎么处理?
- 美国universal同心度测量仪用途及使用方法
- 防静电分板机主轴NR33-6000ATC-ESD,分板机行业先锋产品
- NSK打磨机-木雕匠人最可靠的助手
- 日本NSK自动换刀主轴,快速去除汽车汽缸盖毛刺
- PCB分板机主轴的使用能提高电子产品发展趋势
- star走心机背轴加装高频铣,这个雷区千万别踩!
- 小巧而不失大气 ——RSK小型水平仪
咨询热线:
彩博888 13612997620
传真:0755-23033513
Q Q:
地址:深圳市宝安49区华创达文化科技产业园D栋507
产品详情
联系我们
KETZ-1530B日本强力KANETEC电磁吸盘
电磁吸盘特性:

电磁吸盘有超强的吸力,是为重型加工过程而设计的.
安装吸盘和连线直接容易,拆卸工件也很方便,在拆卸工件时,吸盘也会对工件有退磁作用.
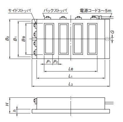
有效固定140长×140宽mm和15mm后以上的工件.
【产品应用】
适合安装在数控铣床,龙门铣床,牛头刨床等机械上,方便固定较厚金属工件,进行重型和高速的切割.
电磁吸盘参数:



KANETEC电磁吸盘,日本强力电磁吸盘,高端电磁吸盘
彩博888 订购:KETZ-1530B日本强力KANETEC电磁吸盘








1960544536 


