春亨产品中心
- 按产品特性分类
- 水平仪 偏心仪 角度计 直角尺 同心度仪 高速主轴 内外测卡规 打磨机 钻石膏 各种量表 磨刀石 研磨油石 切削刀具 研磨刷 研磨工具 磁性工具 放大镜 内视镜 卡尺 千分尺 圆周尺 扭力工具 针规 间隙规 速度测试 高度尺/计 测量工具 硬度计 段差尺 焊道规 V型座 磁性吸盘 推拉力计 吊重磁盘 工业胶粘剂 研磨抛光 钳类工具 旋具工具 热敏试纸 粘度计 电子称 金属锉刀 复制胶膜 螺帽规 背孔刀 气动主轴 自动换刀主轴 防静电主轴 MSIY电主轴 高精密主轴 大扭矩电主轴 高斯计 直角电主轴 进口百分表 扭力起子 中村扭力扳手 脱磁器 螺纹深度规 主轴增速刀柄 RBZ浮动主轴 中心出水电主轴 气浮主轴 螺纹规
- 按应用领域分类
- 工程机械 数控机床 汽车制造 电子/光电 橡胶皮革检测 船舶制造 实验室/研究院 纺织业 精加工 雕刻 珠宝首饰 陶瓷工业 抛光去毛刺 PCB分板机加工 铣削加工 钻孔动力头 医疗加工 走心机高频铣 浮动去毛刺 小径深孔加工
- 按品牌分类
- AAA ASKER B2 BOWERS CITIZEN DMT FUJITOOL FISSO FUJIGEN HONDA GLOI HEINE KANETEC IMADA KANON KAYDIAMOND KROEPLIN MEYER MARUI MITUTOYO NAKANISHI PEACOCK PEAK PHOENIX PI-TAPE RSK RHEINTACHO SK SPI SUN SUPERTECH SWAN UNIVERSAL NOVAPAX XEBEC WIXEY Teclock tohnichi 富士KOSOKU RUBICON KEIBA TAJIMA NIKON Stanley SPI Engeering MARKAL PTC TMC THERMAX RION SHINKO STAO佐藤 TSUBOSAN OSKAR SCHWENK MARK-10 Microset starrett EENPAIX OJIYAS DIGITECH ROECKLE tites swiss Yamato Cherry DAIWA RABIN MSIY NRS PPS NSK
相关资讯
- 揭秘!中西高频铣BM-320与BMJ-320究竟有何不同?
- 中西Emax Evolution电动打磨机有哪些特点?
- 机床高精密水平仪哪个牌子好?首选RSK新泻理研
- 高效钻孔新方案:MSIY一拖二电主轴应对深浅孔加工
- 你相信吗?国产走心机也能铣钛合金梅花
- PCB板钻0.1mm的微孔,用NR33-6000ATC-ESD防静主轴
- 压铸件去毛刺用浮动电主轴的可行型分析
- msiy-2510电主轴与msiy-3316电主轴区别
- 日本RSK高精密水平仪有哪些型号?
- 手工作业必备打磨工具——NSK电动打磨机
- RSK方形水平仪使用方法
- NAKANISHI主轴可以立起来加工吗?防水性能如何?
- KANETEC高斯计TM-801EXP如何使用
- 亚克力切割用NAKANISHI高速切割电主轴
- 我国工业机器人的发展现状分析
- NAKANISHI电动打磨机ES50T-HR使用说明
- 压铸件复杂边缘去毛刺,用MSIY-30浮动电主轴可去除
- 机器人自动化铝件去毛刺,找深圳春亨工具
- NAKANISHI快换主轴NRR-3060主轴涨价通知
- 铝件、钢件去表面刀纹,用XEBEC表面研磨刷
咨询热线:
13612997620
传真:彩博8880755-23033513
Q Q:
地址:彩博888深圳市宝安49区华创达文化科技产业园D栋507
产品详情
联系我们
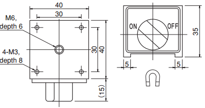
MB-0404日本强力KANETEC磁性底座
产品特性:

旋转开关操作,快速安装或拆卸磁座.
紧凑形外观,磁力强大.
防油、防水型设计.
有磁性开关,被广泛当做磁性基座使用;外形小、磁力大,常被当做仪器的临时支架使用;感应器或其它光学器件可通过螺纹 孔或附加一些机械装置来固定.
产品参数:


强力磁性底座
订购:MB-0404日本强力KANETEC磁性底座








1960544536 


