春亨产品中心
- 按产品特性分类
- 水平仪 偏心仪 角度计 直角尺 同心度仪 高速主轴 内外测卡规 打磨机 钻石膏 各种量表 磨刀石 研磨油石 切削刀具 研磨刷 研磨工具 磁性工具 放大镜 内视镜 卡尺 千分尺 圆周尺 扭力工具 针规 间隙规 速度测试 高度尺/计 测量工具 硬度计 段差尺 焊道规 V型座 磁性吸盘 推拉力计 吊重磁盘 工业胶粘剂 研磨抛光 钳类工具 旋具工具 热敏试纸 粘度计 电子称 金属锉刀 复制胶膜 螺帽规 背孔刀 气动主轴 自动换刀主轴 防静电主轴 MSIY电主轴 高精密主轴 大扭矩电主轴 高斯计 直角电主轴 进口百分表 扭力起子 中村扭力扳手 脱磁器 螺纹深度规 主轴增速刀柄 RBZ浮动主轴 中心出水电主轴 气浮主轴 螺纹规
- 按应用领域分类
- 工程机械 数控机床 汽车制造 电子/光电 橡胶皮革检测 船舶制造 实验室/研究院 纺织业 精加工 雕刻 珠宝首饰 陶瓷工业 抛光去毛刺 PCB分板机加工 铣削加工 钻孔动力头 医疗加工 走心机高频铣 浮动去毛刺 小径深孔加工
- 按品牌分类
- AAA ASKER B2 BOWERS CITIZEN DMT FUJITOOL FISSO FUJIGEN HONDA GLOI HEINE KANETEC IMADA KANON KAYDIAMOND KROEPLIN MEYER MARUI MITUTOYO NAKANISHI PEACOCK PEAK PHOENIX PI-TAPE RSK RHEINTACHO SK SPI SUN SUPERTECH SWAN UNIVERSAL NOVAPAX XEBEC WIXEY Teclock tohnichi 富士KOSOKU RUBICON KEIBA TAJIMA NIKON Stanley SPI Engeering MARKAL PTC TMC THERMAX RION SHINKO STAO佐藤 TSUBOSAN OSKAR SCHWENK MARK-10 Microset starrett EENPAIX OJIYAS DIGITECH ROECKLE tites swiss Yamato Cherry DAIWA RABIN MSIY NRS PPS NSK
相关资讯
- 高精密偏摆仪哪个牌子好?RSK新泻理研,值得推荐!
- nakanishi镜面抛光打磨机,有哪几款可以选?
- 北村走心机加装高速主轴EM30-S6000提高加工效率
- 自动化外表面去毛刺,选择NAKANISHI主轴+外表面刷
- 德国Kroeplin的品牌历史,始于1883,历史悠久!
- 日本NAKANISHI自动换刀主轴,分板机行业通销品
- 日本NAKANISHI电主轴在汽车制造领域的广泛应用
- φ4.0mm铝铸件钻孔,用大扭矩电主轴BMS-4040
- 5月6日春亨工具参加2021年上海国际机床展
- 进口抛光油石条哪个牌子好用?推荐AAA和XEBEC
- PCB板钻0.15小孔,用中西6万转气动换刀主轴
- 日本ASKER邵氏硬度计A型,春亨工具现货供应
- 铝型材毛刺怎么去除?机械臂加装MSIY-30浮动主轴
- 日本强力KANETEC高斯计TM-801特价促销!
- 非标自动化设备适合加装日本NAKANISHI高精密主轴
- 日本NAKANISHI高速主轴三大特点
- 进口百分表日本PEACOCK孔雀
- 春亨工具国庆放假通知
- KANON中村扭力扳手选型注意事项
- 津上走心机加装高频铣BM-320加工医疗器械零部件
咨询热线:
13612997620
传真:0755-23033513
Q Q:
地址:彩博888深圳市宝安49区华创达文化科技产业园D栋507
产品详情
联系我们
MB-L-C50日本强力圆形磁性底座
磁性座特点:

具有磁力开关,满足各种用途.
可做仪器固定基座、测量基座使用(螺纹孔用来安装夹具).
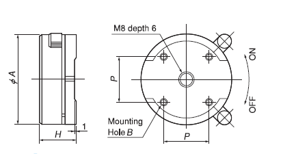
磁性座参数:

型号 | 吸着力Kgf | 尺寸 | 螺纹深度 | 重量 | ||
A | H | P | B | |||
MB-L-C50 | 59N(6 kgf) | 50 | 20 | 25 | M4*6 | 0.3kg |
MB-L-C75 | 196N(20kgf) | 75 | 20 | 35 | M4*6 | 0.68kg |

MB-L-C50磁性底座,圆形磁性底座,进口磁性底座
订购:MB-L-C50日本强力圆形磁性底座








1960544536 


