春亨产品中心
- 按产品特性分类
- 水平仪 偏心仪 角度计 直角尺 同心度仪 高速主轴 内外测卡规 打磨机 钻石膏 各种量表 磨刀石 研磨油石 切削刀具 研磨刷 研磨工具 磁性工具 放大镜 内视镜 卡尺 千分尺 圆周尺 扭力工具 针规 间隙规 速度测试 高度尺/计 测量工具 硬度计 段差尺 焊道规 V型座 磁性吸盘 推拉力计 吊重磁盘 工业胶粘剂 研磨抛光 钳类工具 旋具工具 热敏试纸 粘度计 电子称 金属锉刀 复制胶膜 螺帽规 背孔刀 气动主轴 自动换刀主轴 防静电主轴 MSIY电主轴 高精密主轴 大扭矩电主轴 高斯计 直角电主轴 进口百分表 扭力起子 中村扭力扳手 脱磁器 螺纹深度规 主轴增速刀柄 RBZ浮动主轴 中心出水电主轴 气浮主轴 螺纹规
- 按应用领域分类
- 工程机械 数控机床 汽车制造 电子/光电 橡胶皮革检测 船舶制造 实验室/研究院 纺织业 精加工 雕刻 珠宝首饰 陶瓷工业 抛光去毛刺 PCB分板机加工 铣削加工 钻孔动力头 医疗加工 走心机高频铣 浮动去毛刺 小径深孔加工
- 按品牌分类
- AAA ASKER B2 BOWERS CITIZEN DMT FUJITOOL FISSO FUJIGEN HONDA GLOI HEINE KANETEC IMADA KANON KAYDIAMOND KROEPLIN MEYER MARUI MITUTOYO NAKANISHI PEACOCK PEAK PHOENIX PI-TAPE RSK RHEINTACHO SK SPI SUN SUPERTECH SWAN UNIVERSAL NOVAPAX XEBEC WIXEY Teclock tohnichi 富士KOSOKU RUBICON KEIBA TAJIMA NIKON Stanley SPI Engeering MARKAL PTC TMC THERMAX RION SHINKO STAO佐藤 TSUBOSAN OSKAR SCHWENK MARK-10 Microset starrett EENPAIX OJIYAS DIGITECH ROECKLE tites swiss Yamato Cherry DAIWA RABIN MSIY NRS PPS NSK
相关资讯
- NAKANISHI去毛刺主轴——解决机械手去毛刺难题
- 日本得乐TECLOCK量表
- 进口百分表:PEACOCK百分表
- ABS材料切割,机械臂加装NAKANISHI高速电主轴
- 飞机翼零件去毛刺,用XEBEC红色表面研磨刷
- 排刀机加装8万转精密电主轴BM-320F,钻微小孔
- 外径80的平面磨电主轴,选MSIY-AD80浮动主轴
- 中西nakanishi高频铣BM-322,走心机挂架常用动力头
- 第十届中国数控机床展览会CCMT(上海)
- nakanishi外径25mm气动主轴,扭矩22.5N.cm
- 中西nakanishi自动换刀主轴与手动快速换刀主轴区别
- NAKANISHI大扭矩电主轴BMS-5010,扭矩2.0N·m
- 干货分享!减小数控铣床切削振动12种方法!
- 聚焦两会,十年进口工具代理商,为中国制造业加速
- 杠杆表类型与使用方法
- 如何正确选择合适的钻石磨刀石
- 如何高效地测量同心度?选择美国环球同心度仪!(视频)
- 日本Rs-Japan超声波主轴在石英玻璃上的深孔加工应用
- 日本本多HONDA超声波切割刀有哪几个型号?
- 基板切割怕电子元件遭损坏,用6万转防静电主轴
咨询热线:
彩博888 13612997620
传真:0755-23033513
Q Q:
地址:彩博888深圳市宝安49区华创达文化科技产业园D栋507
产品详情
联系我们
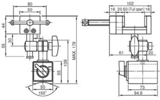
MPV-F50A日本强力线路板专用虎钳
产品特性:

适合组装中暂时夹持工件。
适合手动归档等工作和非磁性材料的钻孔和攻丝。
【特性】
强大吸力的磁性底座,可开/关,便于安装在机床上。
可以根据他们的形状和加工工件的方向自由倾斜。
盘子上的工件夹紧部分的尼龙保持器零件强烈。
夹持板是可交换的。(可选)
产品参数:

型号 | 吸着力 | 重量 |
MPV-F50A | 780N(80kgf) | 2.7kg |

MPV-CF50A,日本强力虎钳,线路板专用夹持器
订购:MPV-F50A日本强力线路板专用虎钳








1960544536 


