春亨产品中心
- 按产品特性分类
- 水平仪 偏心仪 角度计 直角尺 同心度仪 高速主轴 内外测卡规 打磨机 钻石膏 各种量表 磨刀石 研磨油石 切削刀具 研磨刷 研磨工具 磁性工具 放大镜 内视镜 卡尺 千分尺 圆周尺 扭力工具 针规 间隙规 速度测试 高度尺/计 测量工具 硬度计 段差尺 焊道规 V型座 磁性吸盘 推拉力计 吊重磁盘 工业胶粘剂 研磨抛光 钳类工具 旋具工具 热敏试纸 粘度计 电子称 金属锉刀 复制胶膜 螺帽规 背孔刀 气动主轴 自动换刀主轴 防静电主轴 MSIY电主轴 高精密主轴 大扭矩电主轴 高斯计 直角电主轴 进口百分表 扭力起子 中村扭力扳手 脱磁器 螺纹深度规 主轴增速刀柄 RBZ浮动主轴 中心出水电主轴 气浮主轴 螺纹规
- 按应用领域分类
- 工程机械 数控机床 汽车制造 电子/光电 橡胶皮革检测 船舶制造 实验室/研究院 纺织业 精加工 雕刻 珠宝首饰 陶瓷工业 抛光去毛刺 PCB分板机加工 铣削加工 钻孔动力头 医疗加工 走心机高频铣 浮动去毛刺 小径深孔加工
- 按品牌分类
- AAA ASKER B2 BOWERS CITIZEN DMT FUJITOOL FISSO FUJIGEN HONDA GLOI HEINE KANETEC IMADA KANON KAYDIAMOND KROEPLIN MEYER MARUI MITUTOYO NAKANISHI PEACOCK PEAK PHOENIX PI-TAPE RSK RHEINTACHO SK SPI SUN SUPERTECH SWAN UNIVERSAL NOVAPAX XEBEC WIXEY Teclock tohnichi 富士KOSOKU RUBICON KEIBA TAJIMA NIKON Stanley SPI Engeering MARKAL PTC TMC THERMAX RION SHINKO STAO佐藤 TSUBOSAN OSKAR SCHWENK MARK-10 Microset starrett EENPAIX OJIYAS DIGITECH ROECKLE tites swiss Yamato Cherry DAIWA RABIN MSIY NRS PPS NSK
相关资讯
- nakanishi气动主轴MSS-2008RA,走心机/刀塔机可加装
- 不锈钢钢板毛刺,用MSIY浮动主轴来去除,效率更高
- 医用缝合针钻孔为何需高速主轴?
- 如何选择合适的【水平尺】进行设备安装校正
- NAKANISHI中西5万转高速电主轴有哪些型号?
- 迷你超声波抛光机
- NSK高速主轴自动化去毛刺好助手
- 工业铝型材切口毛刺用机械臂怎么去除?
- 微小孔如何加工?
- 一文读懂光面环规的结构原理、规格及用途
- 日本RSK水平仪如何校准及注意事项
- 订购UNIVERSAL环球同心度仪,千万要当心网络骗子
- 如何延长NAKANISHI主轴的使用寿命?
- KANETEC脱磁器如何选型
- 日本KANETEC强力磁性座选型及应用
- 什么是深孔?深孔加工有何特点?
- RSK水平尺
- 直角高速切割电机哪个牌子好?推荐nsk直角电主轴
- 汽车行业专用大型棘轮扭力扳手,就选中村N2100QLK
- 未来已来,高精度检测怎么少得了高精度数显高度计
咨询热线:
彩博888 13612997620
传真:彩博8880755-23033513
Q Q:
地址:彩博888深圳市宝安49区华创达文化科技产业园D栋507
产品详情
联系我们
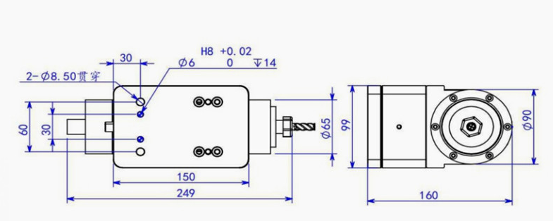
MSIY-C65轴向浮动主轴-平面打磨

MSIY-65浮动主轴彩博888,转速24000转/min,单向轴向浮动10mm,大扭矩,可通过气压调整浮动的力度,自带风扇散热。适合加工顶针位,端面,孔边,孔口毛刺。
MSIY-65轴向浮动电主轴产品特点
1.智能自适用加工,适合加工顶针位,端面,孔边,孔口毛刺。
彩博888 2.灵活转向,单向浮动,浮动距离10mm,可通过气压调整浮动的力度,自带风扇散热。
MSIY-65轴向浮动主轴推荐耗材
彩博888 立铣刀、旋转锉、锥度铣刀、钢丝刷、金钢石磨头、钻头。
MSIY-65轴向浮动主轴产品参数
彩博888 型号:MSIY-C65
浮动方式:单向
彩博888 浮动范围:10mm
浮动压力:0.05-0.5MPa
彩博888 动力形式:电动
彩博888 功率:500W
彩博888 电源:220V
转速:8000rpm
扭矩:1N.m
夹头:ER11
冷却方式:气冷
重量:6Kg
MSIY-65轴向浮动主轴产品尺寸

订购:MSIY-C65轴向浮动主轴








1960544536