春亨产品中心
- 按产品特性分类
- 水平仪 偏心仪 角度计 直角尺 同心度仪 高速主轴 内外测卡规 打磨机 钻石膏 各种量表 磨刀石 研磨油石 切削刀具 研磨刷 研磨工具 磁性工具 放大镜 内视镜 卡尺 千分尺 圆周尺 扭力工具 针规 间隙规 速度测试 高度尺/计 测量工具 硬度计 段差尺 焊道规 V型座 磁性吸盘 推拉力计 吊重磁盘 工业胶粘剂 研磨抛光 钳类工具 旋具工具 热敏试纸 粘度计 电子称 金属锉刀 复制胶膜 螺帽规 背孔刀 气动主轴 自动换刀主轴 防静电主轴 MSIY电主轴 高精密主轴 大扭矩电主轴 高斯计 直角电主轴 进口百分表 扭力起子 中村扭力扳手 脱磁器 螺纹深度规 主轴增速刀柄 RBZ浮动主轴 中心出水电主轴 气浮主轴 螺纹规
- 按应用领域分类
- 工程机械 数控机床 汽车制造 电子/光电 橡胶皮革检测 船舶制造 实验室/研究院 纺织业 精加工 雕刻 珠宝首饰 陶瓷工业 抛光去毛刺 PCB分板机加工 铣削加工 钻孔动力头 医疗加工 走心机高频铣 浮动去毛刺 小径深孔加工
- 按品牌分类
- AAA ASKER B2 BOWERS CITIZEN DMT FUJITOOL FISSO FUJIGEN HONDA GLOI HEINE KANETEC IMADA KANON KAYDIAMOND KROEPLIN MEYER MARUI MITUTOYO NAKANISHI PEACOCK PEAK PHOENIX PI-TAPE RSK RHEINTACHO SK SPI SUN SUPERTECH SWAN UNIVERSAL NOVAPAX XEBEC WIXEY Teclock tohnichi 富士KOSOKU RUBICON KEIBA TAJIMA NIKON Stanley SPI Engeering MARKAL PTC TMC THERMAX RION SHINKO STAO佐藤 TSUBOSAN OSKAR SCHWENK MARK-10 Microset starrett EENPAIX OJIYAS DIGITECH ROECKLE tites swiss Yamato Cherry DAIWA RABIN MSIY NRS PPS NSK
相关资讯
- 盘点日本超声波切割刀USW-334的五大优势
- nsk高频铣出现E6报警怎么解决?
- NAKANISHI精密型主轴之ISPEED3系列
- 走心机螺丝端面铣梅花,加装高频铣动力头就可以
- 订制德国进口卡规解决检测难题
- 排刀机加装中西高速主轴,实现复杂轴类零件加工
- RSK水平仪
- 四种常见的分板机种类及其优缺点分析
- 钛合金弧面钻孔,总是容易打偏怎么办?
- 进口磁性水平尺有创意,服务更有诚意
- 得乐teclock测厚规SM-112,细小零件及薄膜厚度测量
- 不锈钢钻深孔,用NAKANISHI大扭矩中心出水电主轴
- 喷丝板专业加工神器——HES810-BT40增速器
- 日本强力KANETEC高斯计TM-801大量到货
- 日本本多HONDA超声波切割刀工作原理
- 内沟槽测量,KROEPLIN内卡规完美配合
- 中西nakanishi一体式电主轴EMR-3008K,内置减速器
- E3000控制器出现E1报警、E2报警的原因及解决办法
- 日本TECLOCK得乐精密量表型号总汇
- 排刀机钻0.4X1.5mm的孔,加装6万转电主轴可以实现
咨询热线:
彩博888 13612997620
传真:0755-23033513
Q Q:
地址:彩博888深圳市宝安49区华创达文化科技产业园D栋507
产品详情
联系我们
RBZ-C40单向浮动去毛刺主轴

RBZ-C40单向浮动主轴,轴向浮动,浮动距离10mm,浮动力可通过气压调节,可加装直径40mm的电动主轴,可使用耗材:旋转锉、立铣刀、锥度铣刀、钻头、 金钢石磨头、钢丝刷。适合加工端面、顶针位、孔口、孔边毛刺等。
RBZ-C40单向浮动主轴产品特点
1.单向浮动,实现轴向浮动10mm;
2.可夹持40mm的电动主轴,气动锉刀;
3.浮动力可通过气压调节。
浮动主轴可搭配加工工具:
立铣刀、旋转锉、锥度铣刀、钢丝刷、金钢石磨头,钻头。
RBZ-C40单向浮动主轴产品参数
型号:RBZ-80
浮动方式:单向
浮动范围:轴向10mm
浮动压力:0.05-0.5Mpa
动力形式:电动
功率:800w
电源:220v
转速:24000
扭矩:0.8N·m
夹头:ER11
冷却方式:气冷
重量:6Kg
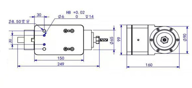
RBZ-C40单向浮动主轴产品尺寸

RBZ-C40单向浮动主轴实拍展示



订购:RBZ-C40单向浮动主轴








1960544536