春亨产品中心
- 按产品特性分类
- 水平仪 偏心仪 角度计 直角尺 同心度仪 高速主轴 内外测卡规 打磨机 钻石膏 各种量表 磨刀石 研磨油石 切削刀具 研磨刷 研磨工具 磁性工具 放大镜 内视镜 卡尺 千分尺 圆周尺 扭力工具 针规 间隙规 速度测试 高度尺/计 测量工具 硬度计 段差尺 焊道规 V型座 磁性吸盘 推拉力计 吊重磁盘 工业胶粘剂 研磨抛光 钳类工具 旋具工具 热敏试纸 粘度计 电子称 金属锉刀 复制胶膜 螺帽规 背孔刀 气动主轴 自动换刀主轴 防静电主轴 MSIY电主轴 高精密主轴 大扭矩电主轴 高斯计 直角电主轴 进口百分表 扭力起子 中村扭力扳手 脱磁器 螺纹深度规 主轴增速刀柄 RBZ浮动主轴 中心出水电主轴 气浮主轴 螺纹规
- 按应用领域分类
- 工程机械 数控机床 汽车制造 电子/光电 橡胶皮革检测 船舶制造 实验室/研究院 纺织业 精加工 雕刻 珠宝首饰 陶瓷工业 抛光去毛刺 PCB分板机加工 铣削加工 钻孔动力头 医疗加工 走心机高频铣 浮动去毛刺 小径深孔加工
- 按品牌分类
- AAA ASKER B2 BOWERS CITIZEN DMT FUJITOOL FISSO FUJIGEN HONDA GLOI HEINE KANETEC IMADA KANON KAYDIAMOND KROEPLIN MEYER MARUI MITUTOYO NAKANISHI PEACOCK PEAK PHOENIX PI-TAPE RSK RHEINTACHO SK SPI SUN SUPERTECH SWAN UNIVERSAL NOVAPAX XEBEC WIXEY Teclock tohnichi 富士KOSOKU RUBICON KEIBA TAJIMA NIKON Stanley SPI Engeering MARKAL PTC TMC THERMAX RION SHINKO STAO佐藤 TSUBOSAN OSKAR SCHWENK MARK-10 Microset starrett EENPAIX OJIYAS DIGITECH ROECKLE tites swiss Yamato Cherry DAIWA RABIN MSIY NRS PPS NSK
相关资讯
- PCB板切割用NAKANISHI中西5万转气动换刀主轴
- 硅胶切割用什么工具没有毛刺?用6万转高速电主轴
- 日本大和化成橡胶磨头的种类和用途
- 压铸铝浇筑口5mm余量毛刺,用RBZ-40浮动主轴去除
- 复杂工件检测就用德国进口卡规
- 纳尼?超声波切割刀还能秒变超声波打磨机?
- 津上走心机B0205,加装哪个型号高频铣?
- 厚度计的应用
- 高强度钢 (SAPH)去毛刺,用浮动打磨电主轴
- PCB线路板加工首选——NAKANISHI分板机主轴
- 木雕打磨抛光专用工具——中西电动打磨机
- 中西一体式电主轴EM30-S6000可以对那些工件加工?
- 深圳春亨工具详解日本PEAK必佳放大镜的原理
- 中西NAKANISHI自动换刀主轴换刀过程演示(视频)
- 进口德国水平仪和日本水平仪大比拼
- 钻石锉刀哪个牌子好?超级细钻石锉刀好用吗?
- 汽车逆变器倒角去毛刺,机械臂加装这2支主轴
- 铝合金异型件凸台去毛刺,用2.2KW大力矩浮动主轴
- 2022年春亨工具元旦放假通知
- 出2套一拖二中西高频铣,津上走心机背轴加装
咨询热线:
彩博888 13612997620
传真:彩博8880755-23033513
Q Q:
地址:深圳市宝安49区华创达文化科技产业园D栋507
产品详情
联系我们
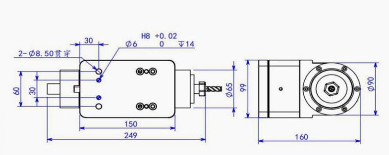
RBZ-C65单向浮动电主轴

RBZ-C65单向浮动电主轴,转速24000转/min,单向轴向浮动10mm,大扭矩,可通过气压调整浮动的力度,自带风扇散热。适合加工顶针位,端面,孔边,孔口毛刺。
RBZ-C65单向浮动主轴产品特点
彩博888 1.智能自适用加工,适合加工顶针位,端面,孔边,孔口毛刺。
2.灵活转向,单向浮动,浮动距离10mm,可通过气压调整浮动的力度,自带风扇散热。
RBZ-C65单向浮动主轴推荐耗材
立铣刀、旋转锉、锥度铣刀、钢丝刷、金钢石磨头、钻头。
RBZ-C65单向浮动主轴产品参数
型号:RBZ-C65
浮动方式:单向
浮动范围:10mm
彩博888 浮动压力:0.05-0.5MPa
动力形式:电动
功率:800w
电源:220V
转速:24000
扭矩:0.8N.m
彩博888 夹头:ER11
冷却方式:气冷
重量:6Kg
RBZ-C65单向浮动主轴产品尺寸

订购:RBZ-C65单向浮动电主轴








1960544536