春亨产品中心
- 按产品特性分类
- 水平仪 偏心仪 角度计 直角尺 同心度仪 高速主轴 内外测卡规 打磨机 钻石膏 各种量表 磨刀石 研磨油石 切削刀具 研磨刷 研磨工具 磁性工具 放大镜 内视镜 卡尺 千分尺 圆周尺 扭力工具 针规 间隙规 速度测试 高度尺/计 测量工具 硬度计 段差尺 焊道规 V型座 磁性吸盘 推拉力计 吊重磁盘 工业胶粘剂 研磨抛光 钳类工具 旋具工具 热敏试纸 粘度计 电子称 金属锉刀 复制胶膜 螺帽规 背孔刀 气动主轴 自动换刀主轴 防静电主轴 MSIY电主轴 高精密主轴 大扭矩电主轴 高斯计 直角电主轴 进口百分表 扭力起子 中村扭力扳手 脱磁器 螺纹深度规 主轴增速刀柄 RBZ浮动主轴 中心出水电主轴 气浮主轴 螺纹规
- 按应用领域分类
- 工程机械 数控机床 汽车制造 电子/光电 橡胶皮革检测 船舶制造 实验室/研究院 纺织业 精加工 雕刻 珠宝首饰 陶瓷工业 抛光去毛刺 PCB分板机加工 铣削加工 钻孔动力头 医疗加工 走心机高频铣 浮动去毛刺 小径深孔加工
- 按品牌分类
- AAA ASKER B2 BOWERS CITIZEN DMT FUJITOOL FISSO FUJIGEN HONDA GLOI HEINE KANETEC IMADA KANON KAYDIAMOND KROEPLIN MEYER MARUI MITUTOYO NAKANISHI PEACOCK PEAK PHOENIX PI-TAPE RSK RHEINTACHO SK SPI SUN SUPERTECH SWAN UNIVERSAL NOVAPAX XEBEC WIXEY Teclock tohnichi 富士KOSOKU RUBICON KEIBA TAJIMA NIKON Stanley SPI Engeering MARKAL PTC TMC THERMAX RION SHINKO STAO佐藤 TSUBOSAN OSKAR SCHWENK MARK-10 Microset starrett EENPAIX OJIYAS DIGITECH ROECKLE tites swiss Yamato Cherry DAIWA RABIN MSIY NRS PPS NSK
相关资讯
- PEEK塑料钻22mm微小深孔,用NAKANISHI高频铣
- 日本磁性表座——KANETEC(强力)
- CNC加工中心能装几把刀?
- 孔雀peacock厚度计常用型号有哪几款?
- 这款超声波切割刀,振动频率4万次,输出功率30W
- 春亨工具优质供应商大全
- 日本KANON(中村)扭力起子种类和特点
- 如何正确使用日本peacock孔雀深度表?
- NAKANISHI高频铣在西铁城走芯机上的应用案例
- 日本NAKANISHI高速电主轴机器人浮动去毛刺解决方案
- 春亨工具详解进口百分表的结构和使用
- 这13种铝合金压铸件去毛刺的方法,您更愿意选择哪一种?
- 如何购买RSK直角尺,您要掌握这六大问题!
- 工业机器人加装2N.m大扭矩电主轴,铣削铝合金
- 钻0.1mm的孔转速调整到多少比较合适?
- 日本NAKANISHI高速主轴进行PCB钻孔的三大优势
- 高精度KROEPLIN卡规,点亮行业风范
- 进口扭力工具,选择春亨工具让您省心
- 铝合金大余量铣削,用大扭矩电主轴BMS-5010
- M2小径内螺纹铣削视频-NAKANISHI高频铣BM-320F
咨询热线:
13612997620
传真:0755-23033513
Q Q:
地址:深圳市宝安49区华创达文化科技产业园D栋507
产品详情
联系我们
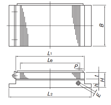
RMWH-X日本强力微型永磁吸盘
磁性吸盘特点:

这个系列是专为用户加工较小、薄的工件设计,深受用户喜欢。
【特点】
磁极是超微型距1.2(0.2 + 1)
对薄板吸引力高于其他系列RMWH-A-H,C。
磁性吸盘参数:



强力永磁吸盘,微型永吸盘,进口磁性吸盘
彩博888 订购:RMWH-X日本强力微型永磁吸盘








1960544536 


