春亨产品中心
- 按产品特性分类
- 水平仪 偏心仪 角度计 直角尺 同心度仪 高速主轴 内外测卡规 打磨机 钻石膏 各种量表 磨刀石 研磨油石 切削刀具 研磨刷 研磨工具 磁性工具 放大镜 内视镜 卡尺 千分尺 圆周尺 扭力工具 针规 间隙规 速度测试 高度尺/计 测量工具 硬度计 段差尺 焊道规 V型座 磁性吸盘 推拉力计 吊重磁盘 工业胶粘剂 研磨抛光 钳类工具 旋具工具 热敏试纸 粘度计 电子称 金属锉刀 复制胶膜 螺帽规 背孔刀 气动主轴 自动换刀主轴 防静电主轴 MSIY电主轴 高精密主轴 大扭矩电主轴 高斯计 直角电主轴 进口百分表 扭力起子 中村扭力扳手 脱磁器 螺纹深度规 主轴增速刀柄 RBZ浮动主轴 中心出水电主轴 气浮主轴 螺纹规
- 按应用领域分类
- 工程机械 数控机床 汽车制造 电子/光电 橡胶皮革检测 船舶制造 实验室/研究院 纺织业 精加工 雕刻 珠宝首饰 陶瓷工业 抛光去毛刺 PCB分板机加工 铣削加工 钻孔动力头 医疗加工 走心机高频铣 浮动去毛刺 小径深孔加工
- 按品牌分类
- AAA ASKER B2 BOWERS CITIZEN DMT FUJITOOL FISSO FUJIGEN HONDA GLOI HEINE KANETEC IMADA KANON KAYDIAMOND KROEPLIN MEYER MARUI MITUTOYO NAKANISHI PEACOCK PEAK PHOENIX PI-TAPE RSK RHEINTACHO SK SPI SUN SUPERTECH SWAN UNIVERSAL NOVAPAX XEBEC WIXEY Teclock tohnichi 富士KOSOKU RUBICON KEIBA TAJIMA NIKON Stanley SPI Engeering MARKAL PTC TMC THERMAX RION SHINKO STAO佐藤 TSUBOSAN OSKAR SCHWENK MARK-10 Microset starrett EENPAIX OJIYAS DIGITECH ROECKLE tites swiss Yamato Cherry DAIWA RABIN MSIY NRS PPS NSK
相关资讯
- 橡胶磨头为何选择日本大和化成?
- NAKANISHI高速主轴是如何实现一拖四的?
- 铝铸件机加工后毛刺,机械臂加装MSIY-40浮动主轴去除
- 精密测量专用量表,日本得乐量具最省心
- 日本中西新款中心出水主轴CTS-3030,性价比超高
- Msiy-30aqc自动换刀浮动主轴,机械臂换刀去毛刺
- KANON深度游标卡尺
- 高频铣动力头最小直径是多少?
- 日本大和化成橡胶研磨头,50年始终专注橡胶磨头领域
- MSIY-4020大扭矩高速电主轴应用领域
- 产品快讯:KROEPLIN内沟槽卡规
- 中村扭力计专业测试玩具电机扭力值
- 日本Rs-Japan超声波主轴,开拓新材料加工的新机遇!
- Daiwa Rabin大和化成橡胶磨头
- 日本fine techno气动浮动打磨头AF20应用场景
- NAKANISHI打磨机US-25PBS
- NAKANISHI高频铣BM-320F内螺纹铣削案例
- 日本【KANETEC强力】磁力基座的应用和特点
- 为何新购买的RSK水平仪不归零?
- 高尔夫球硬度用什么橡胶硬度计测量比较好?
咨询热线:
13612997620
传真:彩博8880755-23033513
Q Q:
地址:深圳市宝安49区华创达文化科技产业园D栋507
产品详情
联系我们
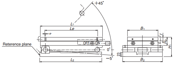
SBP-R-L日本强力正弦磁台
磁性吸盘特点:

适合高度精密的角磨模具磨床,。
纵向方向角度设置方便。
量块不包括在内。
磁性吸盘参数:



强力正弦磁台,可调角度正弦磁台,精密正弦磁台
彩博888 订购:SBP-R-L日本强力正弦磁台








1960544536 


