春亨产品中心
- 按产品特性分类
- 水平仪 偏心仪 角度计 直角尺 同心度仪 高速主轴 内外测卡规 打磨机 钻石膏 各种量表 磨刀石 研磨油石 切削刀具 研磨刷 研磨工具 磁性工具 放大镜 内视镜 卡尺 千分尺 圆周尺 扭力工具 针规 间隙规 速度测试 高度尺/计 测量工具 硬度计 段差尺 焊道规 V型座 磁性吸盘 推拉力计 吊重磁盘 工业胶粘剂 研磨抛光 钳类工具 旋具工具 热敏试纸 粘度计 电子称 金属锉刀 复制胶膜 螺帽规 背孔刀 气动主轴 自动换刀主轴 防静电主轴 MSIY电主轴 高精密主轴 大扭矩电主轴 高斯计 直角电主轴 进口百分表 扭力起子 中村扭力扳手 脱磁器 螺纹深度规 主轴增速刀柄 RBZ浮动主轴 中心出水电主轴 气浮主轴 螺纹规
- 按应用领域分类
- 工程机械 数控机床 汽车制造 电子/光电 橡胶皮革检测 船舶制造 实验室/研究院 纺织业 精加工 雕刻 珠宝首饰 陶瓷工业 抛光去毛刺 PCB分板机加工 铣削加工 钻孔动力头 医疗加工 走心机高频铣 浮动去毛刺 小径深孔加工
- 按品牌分类
- AAA ASKER B2 BOWERS CITIZEN DMT FUJITOOL FISSO FUJIGEN HONDA GLOI HEINE KANETEC IMADA KANON KAYDIAMOND KROEPLIN MEYER MARUI MITUTOYO NAKANISHI PEACOCK PEAK PHOENIX PI-TAPE RSK RHEINTACHO SK SPI SUN SUPERTECH SWAN UNIVERSAL NOVAPAX XEBEC WIXEY Teclock tohnichi 富士KOSOKU RUBICON KEIBA TAJIMA NIKON Stanley SPI Engeering MARKAL PTC TMC THERMAX RION SHINKO STAO佐藤 TSUBOSAN OSKAR SCHWENK MARK-10 Microset starrett EENPAIX OJIYAS DIGITECH ROECKLE tites swiss Yamato Cherry DAIWA RABIN MSIY NRS PPS NSK
相关资讯
- 斯大走心机钻0.1mm喷油嘴用哪款高频铣?
- NAKANISHI中心出水主轴CTS-3030T,专注小径钻深孔
- 不锈钢孔口去毛刺,用MSIY-40浮动主轴配研磨刷
- 非标设备钻不锈钢0.1mm微孔,用NAKANISHI电主轴
- 杠杆表类型与使用方法
- 去内孔毛刺用什么工具最好?看这里!简单又方便
- 气雾罐\喷雾罐专用卡规--KROEPLIN制造
- XEBEC锐必克纤维研磨刷A11-CB60M,直径60mm
- 日本NSK快速换刀主轴NRR-3060与NRR3060-QC的区别
- 关于气动打磨机,你需要了解这些知识!
- xebec背孔刀主要哪几种类型?规格及参数
- 进口百分表安装方法及使用注意事项
- 高精密杠杠千分表,首选PEACOCK孔雀PCN-S
- 日本KANON(中村)扭力起子种类和特点
- 津上BO205走心机加装NSK气动主轴MSS-2008RA
- 齿轮轴打磨倒角,用NAKANISHI浮动电主轴,实现柔性打磨
- 排刀机加装中西高速主轴,实现复杂轴类零件加工
- 问答:RSK水平仪如何选型?
- 精密螺丝专用扭力起子,找春亨工具
- 直角坐标机械手加装微型主轴NR-3060S,实现高精密加工
咨询热线:
彩博888 13612997620
传真:彩博8880755-23033513
Q Q:
地址:深圳市宝安49区华创达文化科技产业园D栋507
产品详情
联系我们
百分表47SZ
产品参数:

型号:47SZ
精度:0.01mm
量程:0.8mm
测头型号为:XB-1
特性:平背,小表盘(Φ36mm)
型 式 | 目 量 | 测定范围 | 刻度规格 | 指示誤差 (μm) | 返回误差 | 重复 | 測定力 | ||||
1/10旋转 | 1/2旋转 | 1旋转 | 2旋转 | 全测定 | |||||||
5S | 0.001 | 1 | ±0 -100- 100 | 5 | ±6 | ±7 | ±8 | ±10 | 4 | 5 | 1.5 |
47 | 0.01 | 4 | 0 -50- 0 | 9 | -- | ±13 | -- | ±15 | 6 | 5 | 1.4 |
47F | 0.01 | 4 | 0 -50- 0 | 9 | -- | ±13 | -- | ±15 | 6 | 5 | 1.4 |
47SZ | 0.01 | 0.8 | 40 -0- 40 | 9 | -- | ±13 | -- | -- | 6 | 5 | 1.4 |
57S | 0.01 | 5 | ±0 -50- 100 | 9 | -- | ±13 | -- | ±15 | 6 | 5 | 1.4 |
36A | 0.005 | 3 | ±0 -25- 50 | 9 | -- | ±13 | -- | ±15 | 6 | 5 | 1.4 |
36B | 0.01 | 3 | 0 -25- 50 | 9 | -- | ±13 | -- | ±15 | 6 | 5 | 1.4 |
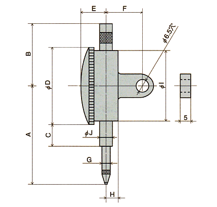
产品尺寸:

型 式 | A | B | C | D | E | F | G | H | I | J |
5S | 43.2 | 30.5 | 12.9 | 40.8 | 12.5 | -- | 4 | 5.1 | 37 | 8.0 |
47 | 39.6 | 20 | 9.7 | 36 | 13 | 15 | 3.5 | 6.5 | 32 | 8.0 |
47F | 39.6 | 20 | 9.7 | 36 | 13 | -- | 3.5 | 6.5 | 32 | 8.0 |
47SZ | 41.1 | 20 | 9.7 | 36 | 13 | -- | 3.5 | 6.5 | 32 | 8.0 |
57S | 41.3 | 27.4 | 10 | 39 | 14 | 19 | 4 | 5.1 | 36.5 | 8.0 |
36A | 46.2 | 30.5 | 12.9 | 40.8 | 12.5 | 19 | 4 | 5.1 | 37 | 8.0 |
36B | 46.2 | 30.5 | 12.9 | 40.8 | 12.5 | 19 | 4 | 5.1 | 37 | 8.0 |

订购:百分表47SZ








1960544536 


