春亨产品中心
- 按产品特性分类
- 水平仪 偏心仪 角度计 直角尺 同心度仪 高速主轴 内外测卡规 打磨机 钻石膏 各种量表 磨刀石 研磨油石 切削刀具 研磨刷 研磨工具 磁性工具 放大镜 内视镜 卡尺 千分尺 圆周尺 扭力工具 针规 间隙规 速度测试 高度尺/计 测量工具 硬度计 段差尺 焊道规 V型座 磁性吸盘 推拉力计 吊重磁盘 工业胶粘剂 研磨抛光 钳类工具 旋具工具 热敏试纸 粘度计 电子称 金属锉刀 复制胶膜 螺帽规 背孔刀 气动主轴 自动换刀主轴 防静电主轴 MSIY电主轴 高精密主轴 大扭矩电主轴 高斯计 直角电主轴 进口百分表 扭力起子 中村扭力扳手 脱磁器 螺纹深度规 主轴增速刀柄 RBZ浮动主轴 中心出水电主轴 气浮主轴 螺纹规
- 按应用领域分类
- 工程机械 数控机床 汽车制造 电子/光电 橡胶皮革检测 船舶制造 实验室/研究院 纺织业 精加工 雕刻 珠宝首饰 陶瓷工业 抛光去毛刺 PCB分板机加工 铣削加工 钻孔动力头 医疗加工 走心机高频铣 浮动去毛刺 小径深孔加工
- 按品牌分类
- AAA ASKER B2 BOWERS CITIZEN DMT FUJITOOL FISSO FUJIGEN HONDA GLOI HEINE KANETEC IMADA KANON KAYDIAMOND KROEPLIN MEYER MARUI MITUTOYO NAKANISHI PEACOCK PEAK PHOENIX PI-TAPE RSK RHEINTACHO SK SPI SUN SUPERTECH SWAN UNIVERSAL NOVAPAX XEBEC WIXEY Teclock tohnichi 富士KOSOKU RUBICON KEIBA TAJIMA NIKON Stanley SPI Engeering MARKAL PTC TMC THERMAX RION SHINKO STAO佐藤 TSUBOSAN OSKAR SCHWENK MARK-10 Microset starrett EENPAIX OJIYAS DIGITECH ROECKLE tites swiss Yamato Cherry DAIWA RABIN MSIY NRS PPS NSK
相关资讯
- 进口磁性表座怎么选?春亨工具透露一个省钱的秘籍
- NAKANISHI主轴控制器NE211出现E7报警如何解决?
- 美国环球universal同心度仪B-10(产品实拍视频)
- 塑料倒角去毛刺,msiy-40浮动主轴配镀层刀具
- ASKER橡胶硬度计专业检测各类橡胶硬度计
- 框式水平仪选什么牌子好?日本原装进口RSK框式水平仪价格
- 加工中心加装这款高速气动主轴,可以研磨内孔
- 日本AAA 研磨油石使用方法
- 铸铁焊缝打磨抛光,用MSIY-40浮动电主轴
- 铝复合材料钻6*1mm的孔,用这款6万转精密电主轴
- msiy浮动陶瓷锉刀,专为塑料件去合模线而研发
- 日本RSK直角尺使用注意事项
- 日本NAKASNIHI高速主轴E3000控制器使用说明书
- ASKER数显橡胶硬度计DD4-A,精准测量塑料硬度
- 液压泵阀板自动化倒角,一天能完成200个工件?
- 医疗骨钉梅花雕刻主轴 优选日本NAKANISHI高频铣系列
- 日本NAKANISHI高速主轴三大特点
- 合适的邵氏橡胶硬度计才是最好的
- NAKANISHI高速主轴夹头需要多大锁紧力
- 日本水平仪哪个牌子好?
咨询热线:
彩博888 13612997620
传真:彩博8880755-23033513
Q Q:
地址:深圳市宝安49区华创达文化科技产业园D栋507
产品详情
联系我们
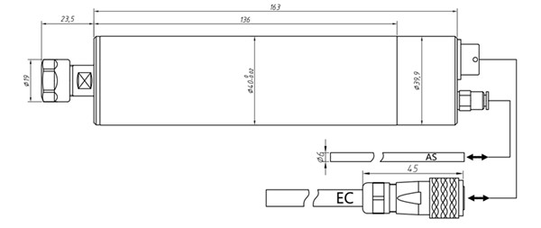
国产大扭矩电主轴4040-B20

彩博888 国产大扭矩电主轴4040-B20,转速3000~20000转/min,直径:40mm,扭矩高达60N·cm,输出功率400W,高转速、高精度,采用无刷电机,产品寿命长;常作为车床动力刀头,用于钻孔、铣削加工。具有IP64防护等级,防水防尘。
国产大扭矩电主轴4040-B20产品特点
1.具有高转速、高精度、大扭矩的特点;
2.IP64防护等级,防水防尘;
3.采用无刷直流电机,无碳刷和灰尘,产品寿命长;
彩博888 4.钻孔加工、铣削加工、车床动力刀头。
国产大扭矩电主轴4040-B20产品参数
| 主轴(钢球轴承) | 直径 | 转速 | 主轴精度 | 扭矩 | 功率 | 夹头 | 重量 | ||
| 4040-B20 | Φ40mm | 3000~20000 min-1 | 1.5μm以内 | 60N·cm | 400W | ER11系列:1.0~7mm | 1.1kg | ||
彩博888 额定电压:36V
电流:高达12A
轴承:前2*钢球轴承+后2*钢球轴承,油脂润滑
彩博888 防护等级: IP64(空气流量100L/ min)
彩博888 锥面跳动:<1.5um
冷却系统:气冷+夹具散热
彩博888 防水防尘:正压气幕防尘
外壳材料:不锈钢
内置温度传感器型号:内阻-10K;B值-3950
彩博888 内置电机类型:2极无刷直流电机
国产大扭矩主轴4040-B20产品尺寸

国产大扭矩主轴标准配置
彩博888 夹头类型:ER11板手夹紧
夹刀范围: 1.0mm-7.Omm
彩博888 负载方向:轴向+径向
彩博888 工作位置:


彩博888 订购:大扭矩低转速主轴4040-B20








1960544536 


