春亨产品中心
- 按产品特性分类
- 水平仪 偏心仪 角度计 直角尺 同心度仪 高速主轴 内外测卡规 打磨机 钻石膏 各种量表 磨刀石 研磨油石 切削刀具 研磨刷 研磨工具 磁性工具 放大镜 内视镜 卡尺 千分尺 圆周尺 扭力工具 针规 间隙规 速度测试 高度尺/计 测量工具 硬度计 段差尺 焊道规 V型座 磁性吸盘 推拉力计 吊重磁盘 工业胶粘剂 研磨抛光 钳类工具 旋具工具 热敏试纸 粘度计 电子称 金属锉刀 复制胶膜 螺帽规 背孔刀 气动主轴 自动换刀主轴 防静电主轴 MSIY电主轴 高精密主轴 大扭矩电主轴 高斯计 直角电主轴 进口百分表 扭力起子 中村扭力扳手 脱磁器 螺纹深度规 主轴增速刀柄 RBZ浮动主轴 中心出水电主轴 气浮主轴 螺纹规
- 按应用领域分类
- 工程机械 数控机床 汽车制造 电子/光电 橡胶皮革检测 船舶制造 实验室/研究院 纺织业 精加工 雕刻 珠宝首饰 陶瓷工业 抛光去毛刺 PCB分板机加工 铣削加工 钻孔动力头 医疗加工 走心机高频铣 浮动去毛刺 小径深孔加工
- 按品牌分类
- AAA ASKER B2 BOWERS CITIZEN DMT FUJITOOL FISSO FUJIGEN HONDA GLOI HEINE KANETEC IMADA KANON KAYDIAMOND KROEPLIN MEYER MARUI MITUTOYO NAKANISHI PEACOCK PEAK PHOENIX PI-TAPE RSK RHEINTACHO SK SPI SUN SUPERTECH SWAN UNIVERSAL NOVAPAX XEBEC WIXEY Teclock tohnichi 富士KOSOKU RUBICON KEIBA TAJIMA NIKON Stanley SPI Engeering MARKAL PTC TMC THERMAX RION SHINKO STAO佐藤 TSUBOSAN OSKAR SCHWENK MARK-10 Microset starrett EENPAIX OJIYAS DIGITECH ROECKLE tites swiss Yamato Cherry DAIWA RABIN MSIY NRS PPS NSK
相关资讯
- 新能源汽车行业钻小孔,用这款国产电主轴就可以
- 国产去毛刺浮动主轴哪个牌子好?选MSIY浮动主轴
- 日本NSK高速主轴NR-3060S如何安装?
- NAKANISHI高速主轴如何实现外部通讯?
- 日本peacock孔雀百分表如何选型?看这里!
- 美国DMT磨刀石W250FC-WB和W250FC-NB这两个型号有什么不同?
- 日本NAKANISHI气动主轴MSS-2008RA在走心机上的应用
- 5万转自动换刀防尘主轴,PCB板切割钻孔均可使用
- 走芯机为何要安装日本NAKANISHI高频铣
- 古代琉璃与现代NAKANISHI打磨机技术的完美结合
- 无法抗拒的NSK高速主轴产品优势
- 分板机主轴,更多人选择日本NAKANISHI
- 日本NAKANISHI气动主轴可以用来钻孔吗?
- 机加工必备倒角刀——FUJIGEN(富士元)
- 德国Kroeplin壁厚卡规C1R10产品详细介绍
- 分度值为0.005mm的千分表有哪些型号推荐?
- 日本kanetec异型工件电磁吸盘,多种功能可供选择!
- NAKANISHI高速主轴助力数控机床行业快速发展
- 日本NKS高速主轴iSpeed3系列
- 铝合金钻1300个小孔,用这款6万转速精密电主轴
咨询热线:
13612997620
传真:彩博8880755-23033513
Q Q:
地址:彩博888深圳市宝安49区华创达文化科技产业园D栋507
产品详情
联系我们
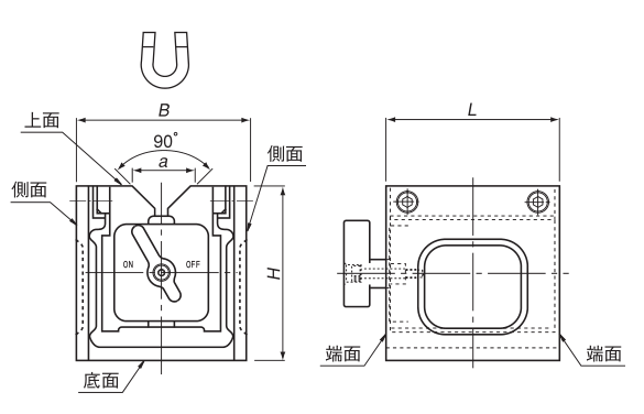
日本强力kanetec方型永磁吸盘 磁性方箱KYB-20A

强力磁性方箱特性

可上面(V面)单面吸附。
圆形棒料的划线、开孔、仿形、异型物等切削时的固定夹具,电火花、线切割加工的固定夹具。
三维测量仪以及各种计量,测量系统的固定夹具。
特长:
模块设计、轻量化、使用方便。
配有专用T型手柄(或六角轴销扳手)可切换ON\OFF。
设计成防水、耐油结构。
KYB型磁性方箱产品规格

形式 | 吸着力 | 使用可能径 | 本体寸法 | 質量 |
KYB-8A | 180N(18kgf)以上 | φ10~φ32 | 80×80×80 | 2.5kg |
KYB-10A | 343N(35kgf)以上 | φ13~φ50 | 100×100×100 | 6kg |
KYB-13A | 400N(40kgf)以上 | 125×125×125 | 8kg | |
KYB-15A | 589N(60kgf)以上 | φ14~φ66 | 150×150×150 | 12kg |
KYB-18A | 600N(60kgf)以上 | 180×180×180 | 16kg | |
KYB-20A | 785N(80kgf)以上 | 200×200×200 | 22kg |
KYB型磁性方箱产品尺寸


强力方型磁性方箱尺寸

订购:KYB-20A方型永磁吸盘





.png)


1960544536 
