彩博888

欢迎来到深圳市春亨工具仪器有限公司

进口加工测量工具综合供应商

彩博88816年经验总代理 | 品牌正规授权 | 专业售后支持

全国服务热线:

13612997620
13923746165

春亨产品中心

按产品特性分类
水平仪 偏心仪 角度计 直角尺 同心度仪 高速主轴 内外测卡规 打磨机 钻石膏 各种量表 磨刀石 研磨油石 切削刀具 研磨刷 研磨工具 磁性工具 放大镜 内视镜 卡尺 千分尺 圆周尺 扭力工具 针规 间隙规 速度测试 高度尺/计 测量工具 硬度计 段差尺 焊道规 V型座 磁性吸盘 推拉力计 吊重磁盘 工业胶粘剂 研磨抛光 钳类工具 旋具工具 热敏试纸 粘度计 电子称 金属锉刀 复制胶膜 螺帽规 背孔刀 气动主轴 自动换刀主轴 防静电主轴 MSIY电主轴 高精密主轴 大扭矩电主轴 高斯计 直角电主轴 进口百分表 扭力起子 中村扭力扳手 脱磁器 螺纹深度规 主轴增速刀柄 RBZ浮动主轴 中心出水电主轴 气浮主轴 螺纹规
按应用领域分类
工程机械 数控机床 汽车制造 电子/光电 橡胶皮革检测 船舶制造 实验室/研究院 纺织业 精加工 雕刻 珠宝首饰 陶瓷工业 抛光去毛刺 PCB分板机加工 铣削加工 钻孔动力头 医疗加工 走心机高频铣 浮动去毛刺 小径深孔加工
按品牌分类
AAA ASKER B2 BOWERS CITIZEN DMT FUJITOOL FISSO FUJIGEN HONDA GLOI HEINE KANETEC IMADA KANON KAYDIAMOND KROEPLIN MEYER MARUI MITUTOYO NAKANISHI PEACOCK PEAK PHOENIX PI-TAPE RSK RHEINTACHO SK SPI SUN SUPERTECH SWAN UNIVERSAL NOVAPAX XEBEC WIXEY Teclock tohnichi 富士KOSOKU RUBICON KEIBA TAJIMA NIKON Stanley SPI Engeering MARKAL PTC TMC THERMAX RION SHINKO STAO佐藤 TSUBOSAN OSKAR SCHWENK MARK-10 Microset starrett EENPAIX OJIYAS DIGITECH ROECKLE tites swiss Yamato Cherry DAIWA RABIN MSIY NRS PPS NSK

相关资讯

咨询热线:

13612997620

传真:彩博8880755-23033513

Q Q:

地址:深圳市宝安49区华创达文化科技产业园D栋507

prevnext

杠杆式标准电子比测探针

  • 日本·Citizen杠杆式标准电子比测探针DTH-L系列,杠杆型测头,自动化测量,窄部测定非常适用。
  • 咨询热线:0755-29695109
  • 产品详情

  • 联系我们

    西铁城Citizen杠杆式标准电子比测探针


    杠杆式标准电子比测探针.jpg


    Citizen杠杆式标准电子比测探针特点



        (1) 可以选择最低0.0196N测定压力,有标准型和万向型两类;


        (2)杠杆式电子比测探针可以准确测量各种测量对象;


        (3)通用型(杠杆型)电子比测探针的杠杆轴承机构具有在承受大载荷和变化时不易断裂的优点。此外,由于测量方向可以自由改变,因此无论指定位置如何,都无需担心损坏或更改被测对象。


    Citizen杠杆式标准电子比测探针用途



        用于高精度测量、在测定范围内可以快速检测判定是否合格,特别适合组装在机器上,由于尺寸小不占空间,适用于小型化精细化的产线。(型号中有U的为万向型)


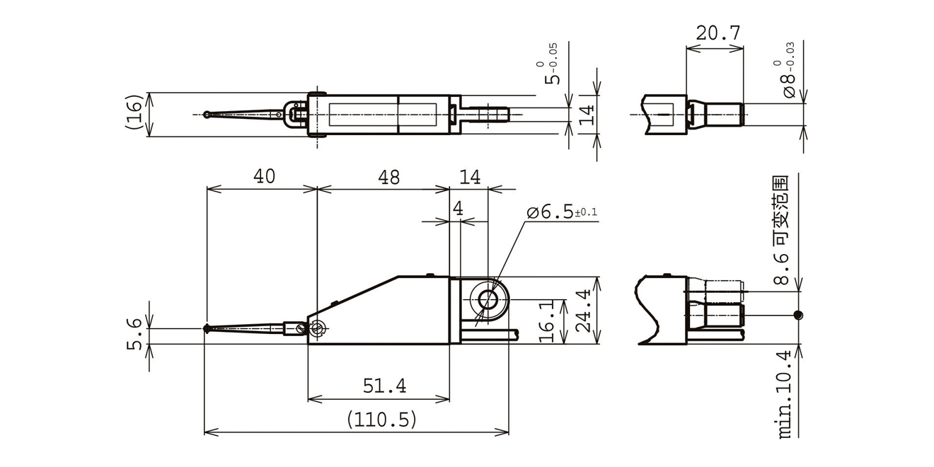
    Citizen杠杆式标准电子比测探针产品尺寸



    西铁城杠杆式电子比测产品参数.jpg



    Citizen杠杆式标准电子比测探针规则及型号


    类别
                                                                    杠杆类型
                           标准型      万向型
    型号DTH-L02 DTH-L08DTH-L15DTH-L02UDTH-L08UDTH-L15U
    测定力0.0196N 0.0785N0.147N0.0196N0.0785N0.147N
    测量范围

    1.5mm

    测量行程±0.5mm
    零点位置约0.5mm
    重复精度0.3μm
    测头摩擦力

    1.47N以上

    保证精度温度范围24℃±5℃
    使用温度范围

    0~50℃

    电源线3m
    测头F-138F-18



    比测探针 Citizen比测探针

    订购:杠杆式标准电子比测探针

    跟此产品相关的产品

    联系我们 CONTACT US

    彩博888深圳市春亨工具仪器有限公司

    彩博888公司地址:深圳市宝安49区华创达文化科技产业园D栋507

    • 13923746165
    • tianguoxiu@prosperoustooling.com.cn

    关注我们QR CODE

    手机扫一扫

    返回顶部