彩博888

欢迎来到深圳市春亨工具仪器有限公司

进口加工测量工具综合供应商

彩博88816年经验总代理 | 品牌正规授权 | 专业售后支持

全国服务热线:

13612997620
13923746165

春亨产品中心

按产品特性分类
水平仪 偏心仪 角度计 直角尺 同心度仪 高速主轴 内外测卡规 打磨机 钻石膏 各种量表 磨刀石 研磨油石 切削刀具 研磨刷 研磨工具 磁性工具 放大镜 内视镜 卡尺 千分尺 圆周尺 扭力工具 针规 间隙规 速度测试 高度尺/计 测量工具 硬度计 段差尺 焊道规 V型座 磁性吸盘 推拉力计 吊重磁盘 工业胶粘剂 研磨抛光 钳类工具 旋具工具 热敏试纸 粘度计 电子称 金属锉刀 复制胶膜 螺帽规 背孔刀 气动主轴 自动换刀主轴 防静电主轴 MSIY电主轴 高精密主轴 大扭矩电主轴 高斯计 直角电主轴 进口百分表 扭力起子 中村扭力扳手 脱磁器 螺纹深度规 主轴增速刀柄 RBZ浮动主轴 中心出水电主轴 气浮主轴 螺纹规
按应用领域分类
工程机械 数控机床 汽车制造 电子/光电 橡胶皮革检测 船舶制造 实验室/研究院 纺织业 精加工 雕刻 珠宝首饰 陶瓷工业 抛光去毛刺 PCB分板机加工 铣削加工 钻孔动力头 医疗加工 走心机高频铣 浮动去毛刺 小径深孔加工
按品牌分类
AAA ASKER B2 BOWERS CITIZEN DMT FUJITOOL FISSO FUJIGEN HONDA GLOI HEINE KANETEC IMADA KANON KAYDIAMOND KROEPLIN MEYER MARUI MITUTOYO NAKANISHI PEACOCK PEAK PHOENIX PI-TAPE RSK RHEINTACHO SK SPI SUN SUPERTECH SWAN UNIVERSAL NOVAPAX XEBEC WIXEY Teclock tohnichi 富士KOSOKU RUBICON KEIBA TAJIMA NIKON Stanley SPI Engeering MARKAL PTC TMC THERMAX RION SHINKO STAO佐藤 TSUBOSAN OSKAR SCHWENK MARK-10 Microset starrett EENPAIX OJIYAS DIGITECH ROECKLE tites swiss Yamato Cherry DAIWA RABIN MSIY NRS PPS NSK

相关资讯

咨询热线:

彩博888 13612997620

传真:0755-23033513

Q Q:

地址:彩博888深圳市宝安49区华创达文化科技产业园D栋507

prevnext

高频铣MSIY-2080

  • 高频铣MSIY-2080,型号2080-BME8,外径20mm,转速1000-80000rpm可调节,输出功率150W,旋转跳动精度3μm以内,可直接加装在走心机刀座孔上使用。
  • 咨询热线:0755-29695109
  • 产品详情

  • 联系我们

    走心机高频铣MSIY-2080


    MSIY-2080高频铣图片.jpg


      高频铣MSIY-2080,走心机高频铣动力头,带法兰盘,可直接加装在走心机刀座孔上使用。用以提高走心机转速和精度,从而对微型精密零件进行铣削、钻孔、高光等高精度加工。这款高频铣的优点在于性价比高。


    高频铣MSIY-2080产品参数



    型号:MSIY-2080

    彩博888货号:2080-BME8

    外径:20mm

    彩博888转速:1000-80000rpm可调节

    输出功率:150W

    扭矩:6N.cm

    夹头类型:ER8

    防护等级:IP64

    重量:270g

    刀具可夹持范围:φ1.0-4.0mm


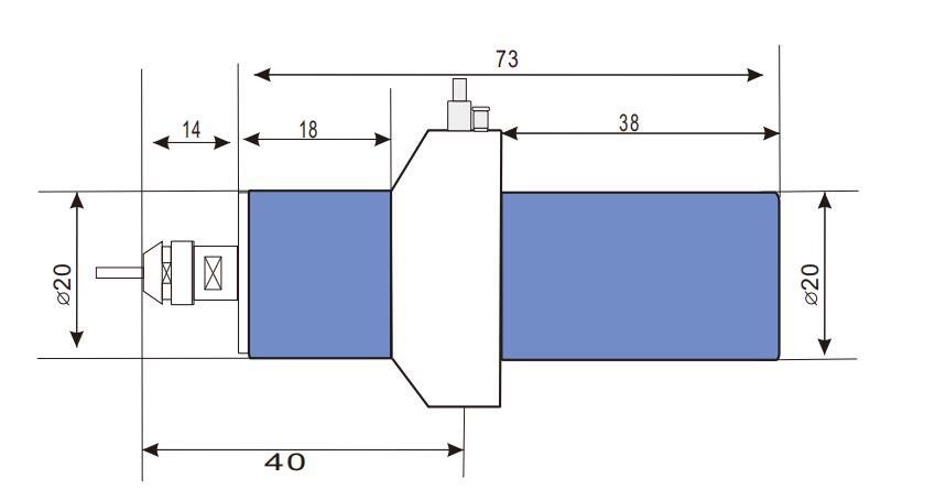
    高频铣MSIY-2080产品尺寸



    高频铣MSIY-2080.jpg


    高频铣MSIY-2080扭矩输出大小



    高频铣BM-2080扭力输出大小.jpg



    高频铣 精密电主轴 微型电主轴 msiy电主轴

    彩博888 订购:高频铣MSIY-2080

    跟此产品相关的产品

    联系我们 CONTACT US

    深圳市春亨工具仪器有限公司

    彩博888公司地址:深圳市宝安49区华创达文化科技产业园D栋507

    • 13923746165
    • tianguoxiu@prosperoustooling.com.cn

    关注我们QR CODE

    手机扫一扫

    返回顶部