春亨产品中心
- 按产品特性分类
- 水平仪 偏心仪 角度计 直角尺 同心度仪 高速主轴 内外测卡规 打磨机 钻石膏 各种量表 磨刀石 研磨油石 切削刀具 研磨刷 研磨工具 磁性工具 放大镜 内视镜 卡尺 千分尺 圆周尺 扭力工具 针规 间隙规 速度测试 高度尺/计 测量工具 硬度计 段差尺 焊道规 V型座 磁性吸盘 推拉力计 吊重磁盘 工业胶粘剂 研磨抛光 钳类工具 旋具工具 热敏试纸 粘度计 电子称 金属锉刀 复制胶膜 螺帽规 背孔刀 气动主轴 自动换刀主轴 防静电主轴 MSIY电主轴 高精密主轴 大扭矩电主轴 高斯计 直角电主轴 进口百分表 扭力起子 中村扭力扳手 脱磁器 螺纹深度规 主轴增速刀柄 RBZ浮动主轴 中心出水电主轴 气浮主轴 螺纹规
- 按应用领域分类
- 工程机械 数控机床 汽车制造 电子/光电 橡胶皮革检测 船舶制造 实验室/研究院 纺织业 精加工 雕刻 珠宝首饰 陶瓷工业 抛光去毛刺 PCB分板机加工 铣削加工 钻孔动力头 医疗加工 走心机高频铣 浮动去毛刺 小径深孔加工
- 按品牌分类
- AAA ASKER B2 BOWERS CITIZEN DMT FUJITOOL FISSO FUJIGEN HONDA GLOI HEINE KANETEC IMADA KANON KAYDIAMOND KROEPLIN MEYER MARUI MITUTOYO NAKANISHI PEACOCK PEAK PHOENIX PI-TAPE RSK RHEINTACHO SK SPI SUN SUPERTECH SWAN UNIVERSAL NOVAPAX XEBEC WIXEY Teclock tohnichi 富士KOSOKU RUBICON KEIBA TAJIMA NIKON Stanley SPI Engeering MARKAL PTC TMC THERMAX RION SHINKO STAO佐藤 TSUBOSAN OSKAR SCHWENK MARK-10 Microset starrett EENPAIX OJIYAS DIGITECH ROECKLE tites swiss Yamato Cherry DAIWA RABIN MSIY NRS PPS NSK
相关资讯
- 想买60000转的高速电主轴,看这里!
- 用过中西NSK快速换刀主轴,您才会明白工作还可以如此轻松
- 数显扭矩扳手
- 有机玻璃钻0.85mm小径深孔,用CTS中心出水电主轴
- 如何高效地测量同心度?选择美国环球同心度仪!(视频)
- 汽车轮毂去毛刺解决方案?选msiy自动换刀浮动主轴
- 医疗骨钉、牙钉加工,加装NAKANISHI高频铣
- R0.2mm立铣刀高精加工,加装中西HES810增速刀柄
- 铝合金去毛刺旋转锉,选msiy-40浮动刀柄+气动锉
- 斯大走心机SB-16加装哪几个型号的高频铣合适?
- NAKANISHI自动换刀电主轴在工业机器人领域的应用
- NR40-5100高速主轴不掉刀?
- 中西nakanishi无碳刷打磨机,可搭配多种研磨头使用
- 砂芯材质合模线去除,用日本NAKANISHI高速电主轴
- 硅胶去合模线,机械臂加装MSIY-30浮动主轴可去除
- 德国kroeplin进口卡规能提供特殊定制品
- 第十届中国数控机床展览会CCMT(上海)
- 出4套MSIY-3316电主轴,镜片切割使用
- NSK减速器允许旋转速度是什么意思?
- 走心机侧铣1.5mm圆弧槽,加装NAKANISHI高频铣
咨询热线:
13612997620
传真:彩博8880755-23033513
Q Q:
地址:深圳市宝安49区华创达文化科技产业园D栋507
产品详情
联系我们
日本NAKANISHI高速主轴增速器HES810-ST32增速刀柄

HES810-ST32增速刀柄产品特点
日本NAKANISHI高速主轴彩博888HES810-ST32,可用于ψ2mm以下之小径钻头、小径研磨之高精度切削加工,高转速:80000转/min,不使用机械主轴运转,仅需安装即可实现NC铣床和中心加工机的高速运转;适用于BT、NT、CAT/IT/HSK A之各种锥度。
彩博888 通过接柄直接安装在机床主轴锥孔内,通过拉钉机构拉紧,和普通的刀柄安装几乎相同。可方便的安装在各种机床主轴输出锥孔上,采用陶瓷轴承时,可达7倍增速,转速可达80,000转/min。
HES810-ST32增速刀柄产品参数
| 主轴型号 | 转速 | 主轴精度 | 输出功率 | 重量 |
彩博888HES810-ST32 | 彩博88820000~80000min-1 | 1μm以内 | 350w | 2.3kg |
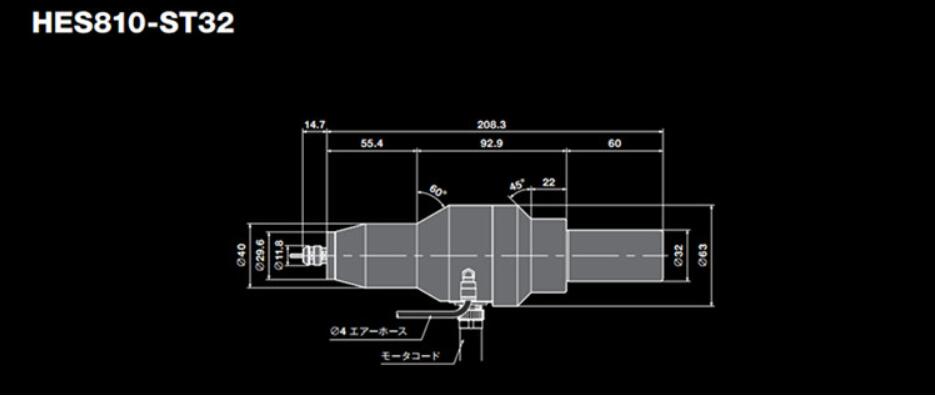
HES810-ST32增速刀柄产品尺寸

HES810-ST32增速刀柄标准配置
标准配件
彩博888 夹头Φ4.0mm(CHA-4.0) 夹头螺母(CHA-A)
彩博888 扳手(8×5),(9×11):1pc
可选配件:
夹头(CHA系列):Φ0.5~Φ4.0mm
彩博888 电机线:长 4m(9248)、6m(9249)、8m(9250)
彩博888 配有Φ4.0mm空气冷却软管
HES810-ST32增速刀柄成套配置图

日本NAKANISHI主轴HES810-ST32增速刀柄的优势
日本NAKANISHI主轴增速器具有以下特点:
1、高刚性和高精密设计,超高速系列采用高速陶瓷轴承,不需要冷却;
2、采用免维护油脂润滑,长寿命且静音运行,输出效率高;
3、外壳采用合金钢制造,具有很高的同轴度和动平衡性,可以安装在各种加工中心机床上;
4、大大提高了刀具和机器的使用寿命,提高了加工效率,降低了加工成本。
相关资讯
订购:高速主轴HES810-ST32





.jpg)


1960544536