彩博888

欢迎来到深圳市春亨工具仪器有限公司

进口加工测量工具综合供应商

16年经验总代理 | 品牌正规授权 | 专业售后支持

全国服务热线:

13612997620
13923746165

春亨产品中心

按产品特性分类
水平仪 偏心仪 角度计 直角尺 同心度仪 高速主轴 内外测卡规 打磨机 钻石膏 各种量表 磨刀石 研磨油石 切削刀具 研磨刷 研磨工具 磁性工具 放大镜 内视镜 卡尺 千分尺 圆周尺 扭力工具 针规 间隙规 速度测试 高度尺/计 测量工具 硬度计 段差尺 焊道规 V型座 磁性吸盘 推拉力计 吊重磁盘 工业胶粘剂 研磨抛光 钳类工具 旋具工具 热敏试纸 粘度计 电子称 金属锉刀 复制胶膜 螺帽规 背孔刀 气动主轴 自动换刀主轴 防静电主轴 MSIY电主轴 高精密主轴 大扭矩电主轴 高斯计 直角电主轴 进口百分表 扭力起子 中村扭力扳手 脱磁器 螺纹深度规 主轴增速刀柄 RBZ浮动主轴 中心出水电主轴 气浮主轴 螺纹规
按应用领域分类
工程机械 数控机床 汽车制造 电子/光电 橡胶皮革检测 船舶制造 实验室/研究院 纺织业 精加工 雕刻 珠宝首饰 陶瓷工业 抛光去毛刺 PCB分板机加工 铣削加工 钻孔动力头 医疗加工 走心机高频铣 浮动去毛刺 小径深孔加工
按品牌分类
AAA ASKER B2 BOWERS CITIZEN DMT FUJITOOL FISSO FUJIGEN HONDA GLOI HEINE KANETEC IMADA KANON KAYDIAMOND KROEPLIN MEYER MARUI MITUTOYO NAKANISHI PEACOCK PEAK PHOENIX PI-TAPE RSK RHEINTACHO SK SPI SUN SUPERTECH SWAN UNIVERSAL NOVAPAX XEBEC WIXEY Teclock tohnichi 富士KOSOKU RUBICON KEIBA TAJIMA NIKON Stanley SPI Engeering MARKAL PTC TMC THERMAX RION SHINKO STAO佐藤 TSUBOSAN OSKAR SCHWENK MARK-10 Microset starrett EENPAIX OJIYAS DIGITECH ROECKLE tites swiss Yamato Cherry DAIWA RABIN MSIY NRS PPS NSK

相关资讯

咨询热线:

13612997620

传真:0755-23033513

Q Q:

地址:彩博888深圳市宝安49区华创达文化科技产业园D栋507

prevnext

精密厚型直角尺549系列

  • 日本RSK厚型精密直角规549系列,在相同尺寸的直角规中最厚,是加厚型直角规,直立使用时,可确保测量的稳定性,适用于机床、机械设备及零部件的垂直度检验,安装加工定位,划线等。
  • 咨询热线:0755-29695109
  • 产品详情

  • 联系我们

    日本RSK厚型精密直角尺549系列


    精密厚型直角规.jpg


    日本RSK厚型精密直角尺549系列,在相同尺寸的直角规中最厚,是加厚型直角规,直立使用时,可确保测量的稳定性,适用于机床、机械设备及零部件的垂直度检验,安装加工定位,划线等。


    RSK厚型精密直角尺特点



    (1)在相同尺寸的直角规中最厚,是加厚型直角规,直立使用时,可确保测量的稳定性。


    (2)所有型号经过热处理,可根据客户需求特殊精度和尺寸定制。


    RSK厚型精密直角尺用途



    (1)用于检测工件的垂直度及工件相对位置的垂直度。


    (2)适用于机床、机械设备及零部件的垂直度检验,安装加工定位,划线等。


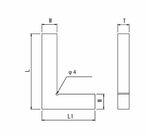
    RSK厚型精密直角尺示意图



    RSK厚型精密直角尺.jpg

    RSK厚型精密直角尺规格参数



    订货型号垂直度 ( ±μm)L (mm)L1 (mm)W (mm)T (mm)重量 (㎏ )
    549-05012.5504015100.1
    549-07513.7755018120.2
    549-10015.01007020150.4
    549-12516.21258020150.5
    549-15017.515010025200.9
    549-20020.0200130

    30

    201.4
    549-25022.525014535252.5
    549-30025.030017035253.0


    厚型直角规 精密直角规 精密直角尺

    彩博888 订购:精密厚型直角尺549系列

    跟此产品相关的产品

    联系我们 CONTACT US

    深圳市春亨工具仪器有限公司

    彩博888公司地址:深圳市宝安49区华创达文化科技产业园D栋507

    • 13923746165
    • tianguoxiu@prosperoustooling.com.cn

    关注我们QR CODE

    手机扫一扫

    返回顶部