春亨产品中心
- 按产品特性分类
- 水平仪 偏心仪 角度计 直角尺 同心度仪 高速主轴 内外测卡规 打磨机 钻石膏 各种量表 磨刀石 研磨油石 切削刀具 研磨刷 研磨工具 磁性工具 放大镜 内视镜 卡尺 千分尺 圆周尺 扭力工具 针规 间隙规 速度测试 高度尺/计 测量工具 硬度计 段差尺 焊道规 V型座 磁性吸盘 推拉力计 吊重磁盘 工业胶粘剂 研磨抛光 钳类工具 旋具工具 热敏试纸 粘度计 电子称 金属锉刀 复制胶膜 螺帽规 背孔刀 气动主轴 自动换刀主轴 防静电主轴 MSIY电主轴 高精密主轴 大扭矩电主轴 高斯计 直角电主轴 进口百分表 扭力起子 中村扭力扳手 脱磁器 螺纹深度规 主轴增速刀柄 RBZ浮动主轴 中心出水电主轴 气浮主轴 螺纹规
- 按应用领域分类
- 工程机械 数控机床 汽车制造 电子/光电 橡胶皮革检测 船舶制造 实验室/研究院 纺织业 精加工 雕刻 珠宝首饰 陶瓷工业 抛光去毛刺 PCB分板机加工 铣削加工 钻孔动力头 医疗加工 走心机高频铣 浮动去毛刺 小径深孔加工
- 按品牌分类
- AAA ASKER B2 BOWERS CITIZEN DMT FUJITOOL FISSO FUJIGEN HONDA GLOI HEINE KANETEC IMADA KANON KAYDIAMOND KROEPLIN MEYER MARUI MITUTOYO NAKANISHI PEACOCK PEAK PHOENIX PI-TAPE RSK RHEINTACHO SK SPI SUN SUPERTECH SWAN UNIVERSAL NOVAPAX XEBEC WIXEY Teclock tohnichi 富士KOSOKU RUBICON KEIBA TAJIMA NIKON Stanley SPI Engeering MARKAL PTC TMC THERMAX RION SHINKO STAO佐藤 TSUBOSAN OSKAR SCHWENK MARK-10 Microset starrett EENPAIX OJIYAS DIGITECH ROECKLE tites swiss Yamato Cherry DAIWA RABIN MSIY NRS PPS NSK
相关资讯
- 津上BO124加装NAKANISHI弯头主轴RAS-151E
- 模具打磨抛光,怎能少得了NSK打磨机?
- 韩国工业机器人密度3年来首次重回世界第一
- MSIY-4030与MSIY-3316电主轴有何区别?
- NSK高速主轴马达EM-3060使用说明
- 高处不胜寒——RSK磁性水平仪
- 2025年,高档数控机床和机器人有关领域人才缺口将达450万
- NAKANISHI中西电动打磨机
- 日本NAKANISHI高速主轴在CNC加工中心的广泛应用
- 托纳斯走心机用哪款型号高频铣?
- 如何快速测量珍珠大小和厚度?看这里!
- 中西直角电主轴RAX-271E,高精密侧面加工
- 精密轴类零件同心度测量--UNIVERSAL同心度仪
- MSIY浮动主轴去毛刺原理是什么?
- 纯钛TB340铣小径内螺纹,用NAKANISHI高频铣
- 日本富士元FUJIGEN倒角机
- 得乐telock针盘式厚度计,橡胶皮革毛发等厚度测量
- 日本NAKANISHI浮动去毛刺主轴产品优势分析
- 西铁城走心机A20钻0.8mm斜孔,用哪款高频铣?
- 气动锉刀哪个牌子好?日本壶三牌TSUBOSAN气动锉刀值得信赖!
咨询热线:
13612997620
传真:0755-23033513
Q Q:
地址:彩博888深圳市宝安49区华创达文化科技产业园D栋507
产品详情
联系我们
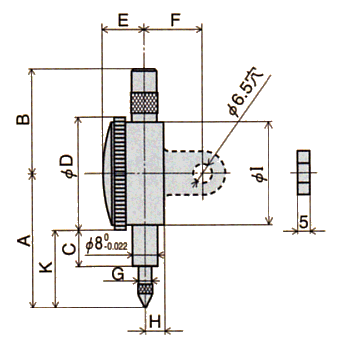
孔雀千分表5Z-XB
产品特点:

高精度仪表表盘,可以胜任严谨严格的连续测量。
测头是有不锈钢制成,高强度。
变盘表示了不同颜色,便于阅读。
产品参数:

型号:5Z-XB
精度:0.001mm
量程:0.14mm
测头型号为:XB-1
型 式 | 目 量 | 测定范围 | 刻度规格 | 指示誤差 (μm) | 返回誤差 | 重复 | 測定力 | ||||
1/10旋转 | 1/2旋转 | 1旋转 | 2旋转 | 全测定范围 | |||||||
15Z | 0.001 | 0.16 (3.0) | 80 - 0 - 80 | 2.5 | ±3 | ±4 | -- | -- | 3 | 0.5 | 1.5 |
15Z-SWF | 0.001 | 0.16 (3.0) | 80 - 0 - 80 | 2.5 | ±3 | ±4 | -- | -- | 3 | 0.5 | 1.5 |
5Z | 0.001 | 0.14 (3.0) | 70 - 0 - 70 | 2.5 | ±3 | ±4 | -- | -- | 3 | 0.5 | 1.5 |
5Z-XB | 0.001 | 0.14 (3.0) | 70 - 0 - 70 | 2.5 | ±3 | ±4 | -- | -- | 3 | 0.5 | 1.5 |
15DZ | 0.001 | 0.16 (3.0) | 80 - 0 - 80 | 2.5 | ±3 | ±4 | -- | -- | 3 | 0.7 | 1.5 |
18 | 0.001 | 0.16 (3.0) | 80 - 0 - 80 | 2.5 | ±3 | ±4 | -- | -- | 3 | 0.5 | 1.5 |
36Z | 0.005 | 0.4 (3.0) | 20 - 0 - 20 | -- | -- | ±10 | -- | -- | 5 | 5 | 1.4 |
117Z | 0.01 | 1.0 (7.0) | 50 - 0 - 50 | 8 | ±9 | ±10 | -- | -- | 5 | 5 | 1.4 |
17Z | 0.01 | 0.8 (7.0) | 40 - 0 - 40 | 8 | ±9 | ±10 | -- | -- | 5 | 5 | 1.4 |
17Z-SWA | 0.01 | 0.8 (7.0) | 40 - 0 - 40 | 8 | ±9 | ±10 | -- | -- | 5 | 5 | 1.4 |
107Z | 0.01 | 0.8 (7.0) | 40 - 0 - 40 | 8 | ±9 | ±10 | -- | -- | 5 | 5 | 1.4 |
107Z-XB | 0.01 | 0.8 (7.0) | 40 - 0 - 40 | 8 | ±9 | ±10 | -- | -- | 5 | 5 | 1.4 |
17B | 0.01 | 0.8 (10) | 40 - 0 - 40 | 8 | ±9 | ±10 | -- | -- | 5 | 5 | 1.4 |
47SZ | 0.01 | 0.8 (4.0) | 40 - 0 - 40 | 9 | -- | ±13 | -- | -- | 6 | 5 | 1.4 |
196Z | 0.01 | 0.8 (4.0) | 40 - 0 - 40 | 10 | ±12 | ±15 | -- | -- | 6 | 5 | 1.4 |
147Z | 0.01 | 1.0 (4.0) | 50 - 0 - 50 | 9 | -- | ±13 | -- | -- | 6 | 5 | 1.4 |
47Z | 0.01 | 0.8 (4.0) | 40 - 0 - 40 | 9 | -- | ±13 | -- | -- | 6 | 5 | 1.4 |
47Z-XB | 0.01 | 0.8 (4.0) | 40 - 0 - 40 | 9 | -- | ±13 | -- | -- | 6 | 5 | 1.4 |
产品尺寸

型 式 | |
15Z (15ZL) | 60 |
15Z-SWF (15Z-SWFL) | 62.5 |
5Z (5ZL) | 66.4 |
5Z-XB (5Z-XBL) | 69.4 |
15DZ (15DZL) | 69.4 |
18 (18L) | 69.4 |
36Z (36ZL) | 60 |

彩博888 订购:孔雀千分表5Z-XB








1960544536 


