春亨产品中心
- 按产品特性分类
- 水平仪 偏心仪 角度计 直角尺 同心度仪 高速主轴 内外测卡规 打磨机 钻石膏 各种量表 磨刀石 研磨油石 切削刀具 研磨刷 研磨工具 磁性工具 放大镜 内视镜 卡尺 千分尺 圆周尺 扭力工具 针规 间隙规 速度测试 高度尺/计 测量工具 硬度计 段差尺 焊道规 V型座 磁性吸盘 推拉力计 吊重磁盘 工业胶粘剂 研磨抛光 钳类工具 旋具工具 热敏试纸 粘度计 电子称 金属锉刀 复制胶膜 螺帽规 背孔刀 气动主轴 自动换刀主轴 防静电主轴 MSIY电主轴 高精密主轴 大扭矩电主轴 高斯计 直角电主轴 进口百分表 扭力起子 中村扭力扳手 脱磁器 螺纹深度规 主轴增速刀柄 RBZ浮动主轴 中心出水电主轴 气浮主轴 螺纹规
- 按应用领域分类
- 工程机械 数控机床 汽车制造 电子/光电 橡胶皮革检测 船舶制造 实验室/研究院 纺织业 精加工 雕刻 珠宝首饰 陶瓷工业 抛光去毛刺 PCB分板机加工 铣削加工 钻孔动力头 医疗加工 走心机高频铣 浮动去毛刺 小径深孔加工
- 按品牌分类
- AAA ASKER B2 BOWERS CITIZEN DMT FUJITOOL FISSO FUJIGEN HONDA GLOI HEINE KANETEC IMADA KANON KAYDIAMOND KROEPLIN MEYER MARUI MITUTOYO NAKANISHI PEACOCK PEAK PHOENIX PI-TAPE RSK RHEINTACHO SK SPI SUN SUPERTECH SWAN UNIVERSAL NOVAPAX XEBEC WIXEY Teclock tohnichi 富士KOSOKU RUBICON KEIBA TAJIMA NIKON Stanley SPI Engeering MARKAL PTC TMC THERMAX RION SHINKO STAO佐藤 TSUBOSAN OSKAR SCHWENK MARK-10 Microset starrett EENPAIX OJIYAS DIGITECH ROECKLE tites swiss Yamato Cherry DAIWA RABIN MSIY NRS PPS NSK
相关资讯
- 日本进口百分表哪个牌子好?据说孔雀百分表还不错!
- RSK水平仪在国内计量的事宜
- TM-801EXP高斯计出现ERR报警如何处理
- 注意:日本孔雀peacock百分表的正确使用方法
- 春亨 工具与您相约广东国际机器人及智能装备展览会
- 厉害了!我的高速主轴
- US-25PBS使用说明书
- MSIY直角浮动主轴,专为铸件内孔去毛刺而研发
- 多道工序加工,用NAKANISHI手动换刀主轴NRR-3060
- 速滑冰刀磨刀方法
- NAKANISHI自动换刀主轴工作原理与注意事项
- 分板机高速主轴哪个牌子比较便宜?推荐MSIY电主轴
- Nakanishi中西直角高速切割电机有哪几款型号?
- nakanishi超声波切割刀,布匹、橡胶、树脂等材质切割
- 日本NAKANISHI电动主轴与气动高速主轴的区别
- 购买木工雕刻机精雕主轴,必须符合这四大条件!
- 日本ASKER橡胶硬度计使用方法
- 英国THERMAX表面温度指示贴的选用
- 汽车铸件用哪个牌子的电动打磨机好?
- NAKANISHI主轴新产品
咨询热线:
13612997620
传真:0755-23033513
Q Q:
地址:彩博888深圳市宝安49区华创达文化科技产业园D栋507
产品详情
联系我们
日本peacock孔雀针盘式百分表17
产品特点:

微型轴承
测头连接微型轴承,提升了测量的稳定性和敏感度。
O型环设计
O型环设计提高了防水和防油性。
淬火硬化,强度大
产品参数:

型号: 17
精度:0.01mm
量程:10.0mm
测头型号为:X-1
型 式 | 目 量 | 测定范围 | 刻度规格 | 指示誤差 (μm) | 返回误差 | 重复 | 測定力 | ||||
1/10旋转(邻接误差) | 1/2旋转 | 1旋转 | 2旋转 | 全測定 | |||||||
107-HG | 0.01 | 10 | ±0 -50- 100 | 6 | ±7 | ±8 | ±10 | ±10 | 4 | 5 | 1.4 |
107-DX | 0.01 | 10 | ±0 -50- 100 | 8 | ±9 | ±10 | ±15 | ±15 | 5 | 5 | 1.4 |
107 | 0.01 | 10 | ±0 -50- 100 | 8 | ±9 | ±10 | ±15 | ±15 | 5 | 5 | 1.4 |
107F | 0.01 | 10 | ±0 -50- 100 | 8 | ±9 | ±10 | ±15 | ±15 | 5 | 5 | 1.4 |
107-SWA | 0.01 | 10 | ±0 -50- 100 | 8 | ±9 | ±10 | ±15 | ±15 | 5 | 5 | 1.4 |
107-BL | 0.01 | 10 | ±0 -50- 100 | 8 | ±9 | ±10 | ±15 | ±15 | 5 | 5 | 1.4 |
107-LL | 0.01 | 10 | ±0 -50- 100 | 8 | ±9 | ±10 | ±15 | ±15 | 5 | 5 | 1.4 |
107F-RE | 0.01 | 10 | ±0 -50- 100 | 8 | ±9 | ±10 | ±15 | ±15 | 5 | 5 | 1.4 |
107F-T | 0.01 | 10 | ±100 -50- 0 | 8 | ±9 | ±10 | ±15 | ±15 | 5 | 5 | 1.4 |
107-E | 0.01 | 10 | ±0 -50- 100 | 8 | ±9 | ±10 | ±15 | ±15 | 5 | 5 | 初圧 0.4 |
17 | 0.01 | 1 | 0 -50- 0 | 8 | ±9 | ±10 | -- | -- | 5 | 5 | 1.4 |
107W | 0.01 | 10 | ±0 -50- 100 | 8 | ±9 | ±10 | ±15 | ±15 | 5 | 5 | 1.4 |
57-SWA | 0.01 | 5 | ±0 -50- 100 | 8 | ±9 | ±10 | ±15 | ±15 | 5 | 5 | 1.4 |
57 | 0.01 | 5 | ±0 -50- 100 | 8 | ±9 | ±10 | ±15 | ±15 | 5 | 5 | 1.4 |
57F | 0.01 | 5 | ±0 -50- 100 | 8 | ±9 | ±10 | ±15 | ±15 | 5 | 5 | 1.4 |
57B | 0.01 | 5 | 0 -50- 0 | 8 | ±9 | ±10 | ±15 | ±15 | 5 | 5 | 1.4 |
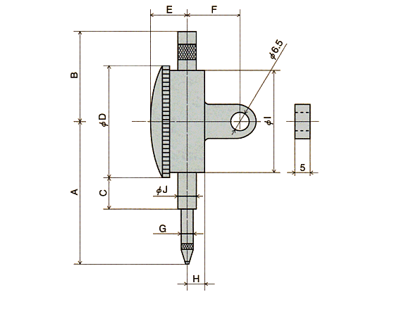
产品尺寸

型 式 | A | B | C | D | E | F | G | H | I |
107-HG | 65 | 41.5 | 18.5 | 53 | 14.5 | 20 | 4 | 6.5 | 49 |
107-DX | 65 | 50.7 | 17 | 55.7 | 14.5 | 20 | 5 | 7 | 52 |
107 | 65 | 41.5 | 18.5 | 53 | 14.5 | 20 | 4 | 6.5 | 49 |
107F | 65 | 41.5 | 18.5 | 53 | 14.5 | -- | 4 | 6.5 | 49 |
107-SWA | 68 | 41.5 | 17.5 | 55 | 15 | 20 | 4 | 6.5 | 49 |
107-BL | 65 | 41.5 | 18.5 | 53 | 14.5 | 4 | 6.5 | 49 | |
107F-RE | 65 | 41.5 | 18.5 | 53 | 14.5 | 20 | 4 | 6.5 | 49 |
107-LL | 65 | -- | 18.5 | 53 | 14.5 | 20 | 4 | 6.5 | 49 |
107W | 65 | 41.5 | 17.5 | 55 | 17 | 20 | 4 | 6.5 | 49 |
107F-T | 65 | 41.5 | 18.5 | 53 | 14.5 | -- | 4 | 6.5 | 49 |
107-E | 65 | 41.5 | 18.5 | 53 | 14.5 | 20 | 4 | 6.5 | 49 |
17 | 65 | 41.5 | 18.5 | 53 | 14.5 | 20 | 4 | 6.5 | 49 |
57-SWA | 65 | 41.5 | 18.5 | 55 | 15 | 20 | 4 | 6.5 | 49 |
57 | 65 | 41.5 | 18.5 | 53 | 14.5 | 20 | 4 | 6.5 | 49 |
57F | 65 | 41.5 | 18.5 | 53 | 14.5 | -- | 4 | 6.5 | 49 |
57B | 65 | 41.5 | 18.5 | 53 | 14.5 | -- | 4 | 6.5 | 49 |

彩博888 订购:孔雀针盘式百分表17








1960544536 


