春亨产品中心
- 按产品特性分类
- 水平仪 偏心仪 角度计 直角尺 同心度仪 高速主轴 内外测卡规 打磨机 钻石膏 各种量表 磨刀石 研磨油石 切削刀具 研磨刷 研磨工具 磁性工具 放大镜 内视镜 卡尺 千分尺 圆周尺 扭力工具 针规 间隙规 速度测试 高度尺/计 测量工具 硬度计 段差尺 焊道规 V型座 磁性吸盘 推拉力计 吊重磁盘 工业胶粘剂 研磨抛光 钳类工具 旋具工具 热敏试纸 粘度计 电子称 金属锉刀 复制胶膜 螺帽规 背孔刀 气动主轴 自动换刀主轴 防静电主轴 MSIY电主轴 高精密主轴 大扭矩电主轴 高斯计 直角电主轴 进口百分表 扭力起子 中村扭力扳手 脱磁器 螺纹深度规 主轴增速刀柄 RBZ浮动主轴 中心出水电主轴 气浮主轴 螺纹规
- 按应用领域分类
- 工程机械 数控机床 汽车制造 电子/光电 橡胶皮革检测 船舶制造 实验室/研究院 纺织业 精加工 雕刻 珠宝首饰 陶瓷工业 抛光去毛刺 PCB分板机加工 铣削加工 钻孔动力头 医疗加工 走心机高频铣 浮动去毛刺 小径深孔加工
- 按品牌分类
- AAA ASKER B2 BOWERS CITIZEN DMT FUJITOOL FISSO FUJIGEN HONDA GLOI HEINE KANETEC IMADA KANON KAYDIAMOND KROEPLIN MEYER MARUI MITUTOYO NAKANISHI PEACOCK PEAK PHOENIX PI-TAPE RSK RHEINTACHO SK SPI SUN SUPERTECH SWAN UNIVERSAL NOVAPAX XEBEC WIXEY Teclock tohnichi 富士KOSOKU RUBICON KEIBA TAJIMA NIKON Stanley SPI Engeering MARKAL PTC TMC THERMAX RION SHINKO STAO佐藤 TSUBOSAN OSKAR SCHWENK MARK-10 Microset starrett EENPAIX OJIYAS DIGITECH ROECKLE tites swiss Yamato Cherry DAIWA RABIN MSIY NRS PPS NSK
相关资讯
- 好产品不分国界,一个在美国家喻户晓的磨刀石品牌——美国DMT磨刀石
- 快速去毛刺工具——中西电动打磨机
- 高精密微小深孔加工,用中心出水电主轴CTS-3030
- 熔喷布市场余热尚在,何不抓住机遇,紧紧咬住市场尾巴?
- 中村扭力计测量小型动态扭力值
- NAKANISHI精密型主轴之ISPEED3系列
- 速滑冰刀磨刀方法
- 中国机床行业发展面临哪些困境?
- 日本RSK水平仪---调试机床最好的水平仪
- 机器人自动化去毛刺主轴-优选中西NAKANISHI电主轴
- 扭力扳手精度下降了怎么办?
- NAKANISHI大扭矩中心出水主轴,专为钢件钻60mm深孔而研发
- 进口橡胶磨头为什么选择日本大和化成?
- 论高速主轴在精密加工中的重要性
- 【扭力起子】日本中村KNAON制作所
- 日本NAKANISHI高速主轴在船舶业接线端子排的铣削应用
- nsk中西手动快速换刀主轴NRR-3060,铣削钻孔倒角
- NAKANISHI中西NSK在切割工艺中的完美实践
- 美国DMT折叠型磨刀石有多少种型号可供选择?
- 关于RSK水平仪网络售假通知
咨询热线:
彩博888 13612997620
传真:0755-23033513
Q Q:
地址:深圳市宝安49区华创达文化科技产业园D栋507
产品详情
联系我们
日本奥爵士OJIYAS螺纹孔定位规

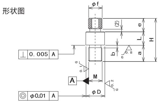
日本奥爵士OJIYAS螺纹孔定位规,主要用于检测螺孔和螺孔、螺孔与边距之间的尺寸距离,在三坐标量床上广泛使用。螺纹与量测面之间的直角度0.005mm,螺纹与两侧面之间的同轴度0.01mm.
螺纹孔定位规产品形状图

螺纹定位规产品应用


螺纹孔定位规产品型号及参数
彩博888M3-M20 所有螺纹定位规之螺纹都是Go端之螺纹量规,OJIYAS提供ISO 和JIS二种标准,订购时请指明。


螺纹孔定位规 三坐标量具
彩博888 订购:螺纹孔定位规
跟此产品相关的产品








1960544536