春亨产品中心
- 按产品特性分类
- 水平仪 偏心仪 角度计 直角尺 同心度仪 高速主轴 内外测卡规 打磨机 钻石膏 各种量表 磨刀石 研磨油石 切削刀具 研磨刷 研磨工具 磁性工具 放大镜 内视镜 卡尺 千分尺 圆周尺 扭力工具 针规 间隙规 速度测试 高度尺/计 测量工具 硬度计 段差尺 焊道规 V型座 磁性吸盘 推拉力计 吊重磁盘 工业胶粘剂 研磨抛光 钳类工具 旋具工具 热敏试纸 粘度计 电子称 金属锉刀 复制胶膜 螺帽规 背孔刀 气动主轴 自动换刀主轴 防静电主轴 MSIY电主轴 高精密主轴 大扭矩电主轴 高斯计 直角电主轴 进口百分表 扭力起子 中村扭力扳手 脱磁器 螺纹深度规 主轴增速刀柄 RBZ浮动主轴 中心出水电主轴 气浮主轴 螺纹规
- 按应用领域分类
- 工程机械 数控机床 汽车制造 电子/光电 橡胶皮革检测 船舶制造 实验室/研究院 纺织业 精加工 雕刻 珠宝首饰 陶瓷工业 抛光去毛刺 PCB分板机加工 铣削加工 钻孔动力头 医疗加工 走心机高频铣 浮动去毛刺 小径深孔加工
- 按品牌分类
- AAA ASKER B2 BOWERS CITIZEN DMT FUJITOOL FISSO FUJIGEN HONDA GLOI HEINE KANETEC IMADA KANON KAYDIAMOND KROEPLIN MEYER MARUI MITUTOYO NAKANISHI PEACOCK PEAK PHOENIX PI-TAPE RSK RHEINTACHO SK SPI SUN SUPERTECH SWAN UNIVERSAL NOVAPAX XEBEC WIXEY Teclock tohnichi 富士KOSOKU RUBICON KEIBA TAJIMA NIKON Stanley SPI Engeering MARKAL PTC TMC THERMAX RION SHINKO STAO佐藤 TSUBOSAN OSKAR SCHWENK MARK-10 Microset starrett EENPAIX OJIYAS DIGITECH ROECKLE tites swiss Yamato Cherry DAIWA RABIN MSIY NRS PPS NSK
相关资讯
- 热敏试纸便捷测试应用实例
- 同心度仪使用及选型
- 工业的眼睛-SPI ENGINEERING内视镜
- 万向磁性表座——瑞士FISSO
- 直径最小的微型电主轴尺寸是多少?
- MSIY单向浮动主轴有哪些类型?
- 日本NSK自动换刀主轴,快速去除汽车汽缸盖毛刺
- 杠杆表类型与使用方法
- 中聪走心机铣不锈钢0.4mm的微小槽,加装中西高频铣
- PCB切割钻孔用ESD防静电主轴,避免电子元件遭损坏
- 进口磁性水平尺有创意,服务更有诚意
- 这款原装进口的强力高斯计TM-801EXP为何如此畅销?
- 日本得乐TECLOCK量表
- 刚好您需要,刚好我专业——KROEPLIN卡规
- 国产数显高度计哪个牌子好?试试这款,堪比NIKON!
- 铝合金大平面打磨抛光?用MSIY-62浮动主轴
- 机器人浮动打磨主轴RBZ-40,加工精度1μm
- 日本NAKANISHI自动换刀主轴,助力自动化去毛刺技术
- NAKANISHI高频铣在津上走芯机S205A上钻微孔
- 塑料件毛刺,机械臂加装30AQC自动换刀浮动主轴
咨询热线:
彩博888 13612997620
传真:0755-23033513
Q Q:
地址:深圳市宝安49区华创达文化科技产业园D栋507
产品详情
联系我们
日本peacock孔雀比测千分表5Z

日本孔雀比测量表产品特点

高精度仪表表盘,可以胜任严谨严格的连续测量。
测头是有不锈钢制成,高强度。
变盘表示了不同颜色,便于阅读。

比测千分表5Z产品参数

型号:5Z
精度:0.001mm
量程:0.14mm
测头型号为:XB-406
型 式 | 目 量 | 测定范围 | 刻度规格 | 指示誤差 (μm) | 返回誤差 | 重复 | 測定力 | ||||
1/10旋转 | 1/2旋转 | 1旋转 | 2旋转 | 全测定范围 | |||||||
15Z | 0.001 | 0.16 (3.0) | 80 - 0 - 80 | 2.5 | ±3 | ±4 | -- | -- | 3 | 0.5 | 1.5 |
15Z-SWF | 0.001 | 0.16 (3.0) | 80 - 0 - 80 | 2.5 | ±3 | ±4 | -- | -- | 3 | 0.5 | 1.5 |
5Z | 0.001 | 0.14 (3.0) | 70 - 0 - 70 | 2.5 | ±3 | ±4 | -- | -- | 3 | 0.5 | 1.5 |
5Z-XB | 0.001 | 0.14 (3.0) | 70 - 0 - 70 | 2.5 | ±3 | ±4 | -- | -- | 3 | 0.5 | 1.5 |
15DZ | 0.001 | 0.16 (3.0) | 80 - 0 - 80 | 2.5 | ±3 | ±4 | -- | -- | 3 | 0.7 | 1.5 |
18 | 0.001 | 0.16 (3.0) | 80 - 0 - 80 | 2.5 | ±3 | ±4 | -- | -- | 3 | 0.5 | 1.5 |
36Z | 0.005 | 0.4 (3.0) | 20 - 0 - 20 | -- | -- | ±10 | -- | -- | 5 | 5 | 1.4 |
117Z | 0.01 | 1.0 (7.0) | 50 - 0 - 50 | 8 | ±9 | ±10 | -- | -- | 5 | 5 | 1.4 |
17Z | 0.01 | 0.8 (7.0) | 40 - 0 - 40 | 8 | ±9 | ±10 | -- | -- | 5 | 5 | 1.4 |
17Z-SWA | 0.01 | 0.8 (7.0) | 40 - 0 - 40 | 8 | ±9 | ±10 | -- | -- | 5 | 5 | 1.4 |
107Z | 0.01 | 0.8 (7.0) | 40 - 0 - 40 | 8 | ±9 | ±10 | -- | -- | 5 | 5 | 1.4 |
107Z-XB | 0.01 | 0.8 (7.0) | 40 - 0 - 40 | 8 | ±9 | ±10 | -- | -- | 5 | 5 | 1.4 |
17B | 0.01 | 0.8 (10) | 40 - 0 - 40 | 8 | ±9 | ±10 | -- | -- | 5 | 5 | 1.4 |
47SZ | 0.01 | 0.8 (4.0) | 40 - 0 - 40 | 9 | -- | ±13 | -- | -- | 6 | 5 | 1.4 |
196Z | 0.01 | 0.8 (4.0) | 40 - 0 - 40 | 10 | ±12 | ±15 | -- | -- | 6 | 5 | 1.4 |
147Z | 0.01 | 1.0 (4.0) | 50 - 0 - 50 | 9 | -- | ±13 | -- | -- | 6 | 5 | 1.4 |
47Z | 0.01 | 0.8 (4.0) | 40 - 0 - 40 | 9 | -- | ±13 | -- | -- | 6 | 5 | 1.4 |
47Z-XB | 0.01 | 0.8 (4.0) | 40 - 0 - 40 | 9 | -- | ±13 | -- | -- | 6 | 5 | 1.4 |
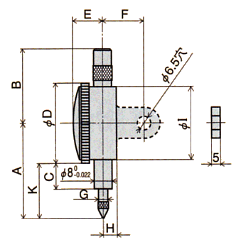
比测千分表5Z产品尺寸

型 式 | |
15Z (15ZL) | 60 |
15Z-SWF (15Z-SWFL) | 62.5 |
5Z (5ZL) | 66.4 |
5Z-XB (5Z-XBL) | 69.4 |
15DZ (15DZL) | 69.4 |
18 (18L) | 69.4 |
36Z (36ZL) | 60 |

订购:孔雀比测千分表5Z








1960544536 


