春亨产品中心
- 按产品特性分类
- 水平仪 偏心仪 角度计 直角尺 同心度仪 高速主轴 内外测卡规 打磨机 钻石膏 各种量表 磨刀石 研磨油石 切削刀具 研磨刷 研磨工具 磁性工具 放大镜 内视镜 卡尺 千分尺 圆周尺 扭力工具 针规 间隙规 速度测试 高度尺/计 测量工具 硬度计 段差尺 焊道规 V型座 磁性吸盘 推拉力计 吊重磁盘 工业胶粘剂 研磨抛光 钳类工具 旋具工具 热敏试纸 粘度计 电子称 金属锉刀 复制胶膜 螺帽规 背孔刀 气动主轴 自动换刀主轴 防静电主轴 MSIY电主轴 高精密主轴 大扭矩电主轴 高斯计 直角电主轴 进口百分表 扭力起子 中村扭力扳手 脱磁器 螺纹深度规 主轴增速刀柄 RBZ浮动主轴 中心出水电主轴 气浮主轴 螺纹规
- 按应用领域分类
- 工程机械 数控机床 汽车制造 电子/光电 橡胶皮革检测 船舶制造 实验室/研究院 纺织业 精加工 雕刻 珠宝首饰 陶瓷工业 抛光去毛刺 PCB分板机加工 铣削加工 钻孔动力头 医疗加工 走心机高频铣 浮动去毛刺 小径深孔加工
- 按品牌分类
- AAA ASKER B2 BOWERS CITIZEN DMT FUJITOOL FISSO FUJIGEN HONDA GLOI HEINE KANETEC IMADA KANON KAYDIAMOND KROEPLIN MEYER MARUI MITUTOYO NAKANISHI PEACOCK PEAK PHOENIX PI-TAPE RSK RHEINTACHO SK SPI SUN SUPERTECH SWAN UNIVERSAL NOVAPAX XEBEC WIXEY Teclock tohnichi 富士KOSOKU RUBICON KEIBA TAJIMA NIKON Stanley SPI Engeering MARKAL PTC TMC THERMAX RION SHINKO STAO佐藤 TSUBOSAN OSKAR SCHWENK MARK-10 Microset starrett EENPAIX OJIYAS DIGITECH ROECKLE tites swiss Yamato Cherry DAIWA RABIN MSIY NRS PPS NSK
相关资讯
- 一文读懂日本XEBEC背孔刀多种切削路径解决方案
- 什么是空气量规,空气量规怎么使用?
- 汽车用自动换刀无级变速电主轴有哪几种类型?
- 用过就不想换的RSK水平仪
- 日本KANON中村针盘式扭力扳手的使用步骤
- 排刀机钻端面5mm孔,加装MSIY-40大扭矩电主轴
- 高精密切割6万转电主轴怎么选?MSIY-3060电主轴
- 相对测量首选孔雀杠杆百分表
- 如何选择空气量规测头,看这篇文章就够了!
- RSK水平仪的正确使用及保养
- 日本NAKANISHI气动主轴可以用来钻孔吗?
- 进口水平仪如何选?春亨工具给您小妙招
- 手工打磨辅助利器——NSK电动打磨机
- 匠心品质?智领未来——NSK高速主轴引领刀模切割飞速发展
- NAKANISHI高频铣在医疗骨钉加工上的突破
- RSK水平仪使用及后期检修
- 日本【KANETEC强力】磁力基座的应用和特点
- 斯大走心机加装高频铣,实现小径刀具内通槽铣削
- 粉末铸铁C3倒角,用RBZ-40AQC自动换刀浮动主轴
- 如何才能提供NAKANISHI主轴的使用寿命
咨询热线:
彩博888 13612997620
传真:0755-23033513
Q Q:
地址:深圳市宝安49区华创达文化科技产业园D栋507
产品详情
联系我们
teclock针盘式厚度计SM-528
产品特点:

彩博888SM-528针盘式厚度计能够很容易精确地测量金属、晶体、橡胶、塑料、纸、毛毡、毛发、真珠等厚度和直径的尺寸的测定器。
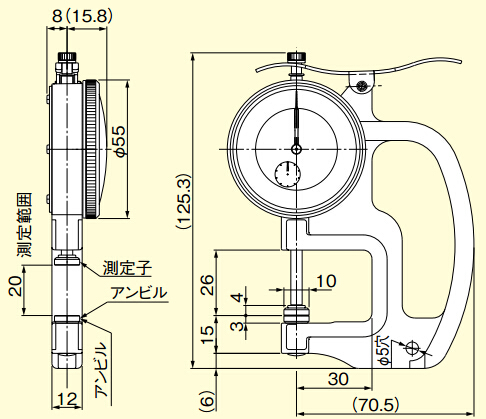
目量0.01mm
测量范围20mm
测定子、铁砧=陶制器
产品参数及尺寸:

型号 | 目量(mm) | 测量范围(mm) | 指示误差(um) | 平行度(um) | 刻度范围 | 测定力(N) | 测定子形状(mm) | 铁砧形状(mm) | 质量(g) |
SM-528 | 0.01 | 20 | ±20 | 5 | 0-50-100 | 3.5以下 | ∮10平 | ∮10平 | 200 |
SM-528LS | 0.01 | 20 | ±20 | - | 0-50-100 | 3.5以下 | ∮3.2球状 | ∮10平 | 200 |
SM-528LW | 0.01 | 20 | ±20 | - | 0-50-100 | 3.5以下 | ∮3.2球状 | ∮3.2球状 | 200 |
SM-528-3A | 0.01 | 20 | ±20 | 5 | 0-50-100 | 3.5以下 | ∮5平 | ∮5平 | 200 |
SM-528-80g | 0.01 | 20 | ±20 | 5 | 0-50-100 | 终压0.8±0.05以下 | ∮10平 | ∮10平 | 200 |
SM-528FE | 0.01 | 20 | ±20 | 5 | 0-50-100 | 3.5以下 | ∮10平钢 | ∮10平钢 | 200 |

订购:teclock针盘式厚度计SM-528








1960544536 


