春亨产品中心
- 按产品特性分类
- 水平仪 偏心仪 角度计 直角尺 同心度仪 高速主轴 内外测卡规 打磨机 钻石膏 各种量表 磨刀石 研磨油石 切削刀具 研磨刷 研磨工具 磁性工具 放大镜 内视镜 卡尺 千分尺 圆周尺 扭力工具 针规 间隙规 速度测试 高度尺/计 测量工具 硬度计 段差尺 焊道规 V型座 磁性吸盘 推拉力计 吊重磁盘 工业胶粘剂 研磨抛光 钳类工具 旋具工具 热敏试纸 粘度计 电子称 金属锉刀 复制胶膜 螺帽规 背孔刀 气动主轴 自动换刀主轴 防静电主轴 MSIY电主轴 高精密主轴 大扭矩电主轴 高斯计 直角电主轴 进口百分表 扭力起子 中村扭力扳手 脱磁器 螺纹深度规 主轴增速刀柄 RBZ浮动主轴 中心出水电主轴 气浮主轴 螺纹规
- 按应用领域分类
- 工程机械 数控机床 汽车制造 电子/光电 橡胶皮革检测 船舶制造 实验室/研究院 纺织业 精加工 雕刻 珠宝首饰 陶瓷工业 抛光去毛刺 PCB分板机加工 铣削加工 钻孔动力头 医疗加工 走心机高频铣 浮动去毛刺 小径深孔加工
- 按品牌分类
- AAA ASKER B2 BOWERS CITIZEN DMT FUJITOOL FISSO FUJIGEN HONDA GLOI HEINE KANETEC IMADA KANON KAYDIAMOND KROEPLIN MEYER MARUI MITUTOYO NAKANISHI PEACOCK PEAK PHOENIX PI-TAPE RSK RHEINTACHO SK SPI SUN SUPERTECH SWAN UNIVERSAL NOVAPAX XEBEC WIXEY Teclock tohnichi 富士KOSOKU RUBICON KEIBA TAJIMA NIKON Stanley SPI Engeering MARKAL PTC TMC THERMAX RION SHINKO STAO佐藤 TSUBOSAN OSKAR SCHWENK MARK-10 Microset starrett EENPAIX OJIYAS DIGITECH ROECKLE tites swiss Yamato Cherry DAIWA RABIN MSIY NRS PPS NSK
相关资讯
- 工件端面铣削加工选什么主轴好,用日本NAKANISHI高频铣
- 去毛刺神器-NSK打磨机
- 美国PPS手指触感指套:科技引领触感新纪元
- 去毛刺主轴应该如何选择?
- 关于RSK水平仪网络售假通知
- 孔雀Peacock外测卡规LA-5,测量范围0-50mm
- 芯片切割主轴怎么选?这款6万转自动换刀主轴更合适
- NAKANISH高速主轴马达EM-3030T型号变更
- 数控车床加装NAKANISHI气动主轴可进行端面钻孔加工
- 钣金件内孔毛刺用什么工具去除比较好?
- 是否因为不了解,您错过了进口水平仪
- 斜面孔自动化去毛刺,选择日本锐必克背孔刀&程序
- 中西防尘分板机主轴NR50-5100ATC-RS,PCB板切割
- 【NAKANISHI高速主轴】代理商为您介绍最新主轴产品
- 铝压铸件自动化去毛刺-浮动去毛刺-应用视频
- (视频)小型铝铸件去毛刺,机械臂抓取工件去除
- 日本NAKANISHI浮动去毛刺主轴的安装方案
- NAKANISHI高速主轴——春亨工具总代理
- 进口的高精密百分表——日本PEACOCK(孔雀)
- 日本锐必克xebec陶瓷纤维油石分类
咨询热线:
13612997620
传真:彩博8880755-23033513
Q Q:
地址:深圳市宝安49区华创达文化科技产业园D栋507
产品详情
联系我们
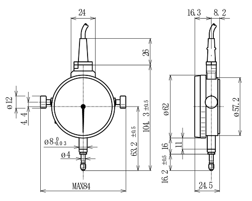
西铁城CITIZEN界限量表2S-010
产品应用:

信号指示量表是指指针式量表与电气接点的组合,可以在测定状态中传送3段或5段的区别信号。不仅被广泛使用在钟表生产线,也常备应用在汽车引擎,轴承等生产线上,发挥着自动化检查与选别的威力。
产品特点:

◆易读数的大刻度盘。
◆实惠的价格
产品规格与尺寸:

模型 | 2S-100 | 2S-200 | 2S-010 | 2S-010FIIS | |||||
精度 | 1μm | 2μm | 10μm | 20μm | |||||
范围 | 精度±0.05mm | 为±0.1mm | ±0.6毫米 | ±0.5 | |||||
准确性 | ±1μm | ±1.5μm | ±5μm | ±15μm | |||||
测力 | 1.18N | 0.78N | |||||||
最大行程 | 2.8毫米 | ||||||||
电压 | DC 24 V毫安 | ||||||||
标准 | 测针1 | F-001 | |||||||
测针2 | 平背(F-M101) | ||||||||
电缆 | 3SMA-0061-1.5(1.5米) | ||||||||
选项 | 提升杆 | M-140 | |||||||
可选电缆 | 长度 | 3米 | 5米 | 10M(订货生产) | |||||
模型 | 3SMA-0061-3 | 3SMA-0061-5 | 3SMA-0061-10 | ||||||


西铁城CITIZEN界限量表|信号指示量表|千分表|精密量具|春亨代理
订购:西铁城CITIZEN界限量表2S-010








1960544536 


