春亨产品中心
- 按产品特性分类
- 水平仪 偏心仪 角度计 直角尺 同心度仪 高速主轴 内外测卡规 打磨机 钻石膏 各种量表 磨刀石 研磨油石 切削刀具 研磨刷 研磨工具 磁性工具 放大镜 内视镜 卡尺 千分尺 圆周尺 扭力工具 针规 间隙规 速度测试 高度尺/计 测量工具 硬度计 段差尺 焊道规 V型座 磁性吸盘 推拉力计 吊重磁盘 工业胶粘剂 研磨抛光 钳类工具 旋具工具 热敏试纸 粘度计 电子称 金属锉刀 复制胶膜 螺帽规 背孔刀 气动主轴 自动换刀主轴 防静电主轴 MSIY电主轴 高精密主轴 大扭矩电主轴 高斯计 直角电主轴 进口百分表 扭力起子 中村扭力扳手 脱磁器 螺纹深度规 主轴增速刀柄 RBZ浮动主轴 中心出水电主轴 气浮主轴 螺纹规
- 按应用领域分类
- 工程机械 数控机床 汽车制造 电子/光电 橡胶皮革检测 船舶制造 实验室/研究院 纺织业 精加工 雕刻 珠宝首饰 陶瓷工业 抛光去毛刺 PCB分板机加工 铣削加工 钻孔动力头 医疗加工 走心机高频铣 浮动去毛刺 小径深孔加工
- 按品牌分类
- AAA ASKER B2 BOWERS CITIZEN DMT FUJITOOL FISSO FUJIGEN HONDA GLOI HEINE KANETEC IMADA KANON KAYDIAMOND KROEPLIN MEYER MARUI MITUTOYO NAKANISHI PEACOCK PEAK PHOENIX PI-TAPE RSK RHEINTACHO SK SPI SUN SUPERTECH SWAN UNIVERSAL NOVAPAX XEBEC WIXEY Teclock tohnichi 富士KOSOKU RUBICON KEIBA TAJIMA NIKON Stanley SPI Engeering MARKAL PTC TMC THERMAX RION SHINKO STAO佐藤 TSUBOSAN OSKAR SCHWENK MARK-10 Microset starrett EENPAIX OJIYAS DIGITECH ROECKLE tites swiss Yamato Cherry DAIWA RABIN MSIY NRS PPS NSK
相关资讯
- 中西nakanishi一体式电主轴EMR-3008K,内置减速器
- 日本ASKER邵氏硬度计A型,春亨工具现货供应
- 排刀机钻钢件1mm小孔,加装MSIY-3316无刷电主轴
- 钛合金种植牙铣内螺纹,加装中西Nakanishi高频铣
- 如何才能提供NAKANISHI主轴的使用寿命
- 日本NAKANISHI中心出水电主轴φ15mm内孔研磨应用
- 大和化成DAWAI RABIN 橡胶磨头WA220抛光视频
- 进口量仪也需要爱!精密仪器的正确使用和保养方法!
- 厚度5mm车灯PC材料切割,用MSIY-40电主轴
- 玉石工艺品打磨-NSK打磨机
- 选择合适的PEACOCK(孔雀)百分表为品质把关
- kroeplin带表外卡规的原理和使用方法
- 新春感恩大回馈-RSK磁性水平仪送福利
- 汽车密封条钻孔 用中西nakanishi高速电主轴
- 预设扭力扳手超过预设力会打滑吗?
- 杠杆百分表的工作原理和使用注意事项
- 日本NAKANSIHI气动主轴HTS系列的主要特点
- 日本NSK高速主轴EM30-S6000在数控切绘机应用
- 关于德国roeckle水平仪,您不了解的都能在这找到答案!
- 日本NAKANISHI中西控制器之E2280
咨询热线:
13612997620
传真:彩博8880755-23033513
Q Q:
地址:彩博888深圳市宝安49区华创达文化科技产业园D栋507
产品详情
联系我们
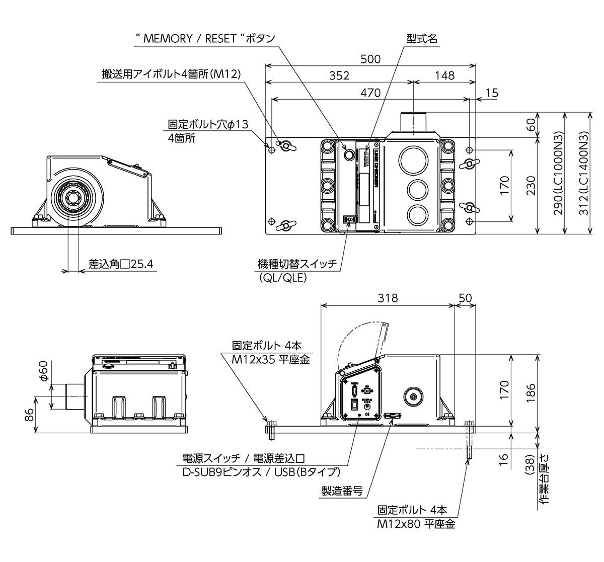
东日tohnichi转盘式峰值扭力计ST10N3

日本东日tohnichi转盘式峰值扭力计又称为转盘式峰值扭力计,无需从多轴拧紧装置上拆下螺母扳手,即可实现简单的扭矩检查和角度检查。还支持旋转角度法拧紧。
转盘式峰值扭力计应用适用范围
彩博888 检查多轴拧紧装置螺母扳手的扭矩和角度。
彩博888 ST3-BT/ST3-G-BT 特别适用于“塑性区域旋转角度法紧固”的扭矩/角度检查。
作为多轴拧紧装置(螺母扳手)的“辅助测量仪器”,取得了多项成果。
检查角型电动工具和手动螺母扳手的扭矩和角度。
彩博888 ST1000N3 非常适合用于拧紧大型车辆车轮螺母的 TW2 系列扭矩扳手和 DQLE1000N2 的扭矩检查(日常检查)。
转盘式峰值扭力计的特点
数字扭矩校验器世界最小的充电式转盘式扭力计。(PATENTED)
彩博888 通过螺母紧固机的扭矩检查(日常检查)可以防止紧固不良品的流出。
多轴紧固机的扭矩检查(日常检查)和紧固作业可同时进行。与ST3一样长度的延长杆(附件)连接到没有安装SPINTORK?的轴上,不用从多轴紧固装置上拆卸螺母紧固机就能简单地进行扭矩检查,降低了工时。
彩博888 螺母紧固机可以进行在线测量。如果是搭载Bluetooth(R)的型号,通过无线就可以进行扭矩检查。

ST3/ST3-G搭载了角度传感器。如果用螺母紧固机等装配ST3进行紧固作业,可以同时进行扭矩检查、角度检查和紧固作业。(※角度测量是从设定的密合扭矩值开始测量的)
使用附属的USB连接线连接到PC,通过软件ExRcv for ST3可以在Excel里打开并管理ST3/ST3-G测定的紧固扭矩和角度数据。(ExRcv for ST3可以免费下载)
彩博888 ST3-BT/ST3-G-BT可以做成扭矩/角度的图表。连接搭载Bluetooth(R)的ST3-BT测定并记录扭矩和角度,通过无线发送紧固完成数据,PC接收这些数据并通过软件ExRcv for ST3在Excel里打开数据后,能够做成紧固扭矩/角度的图表。(※请顾客自己准备Blutooth?的接收软件。※不是-BT型号的ST3仅能保存最大扭矩和最大扭矩时的角度数据,不能做成图表。)
彩博888 追加刀头类型和小型方头型号。追加了ST2系列没有的、可以装配Hex6.35刀头的工具的ST15N3-6.35,以及小型号□9.53方头的ST50N3-3/8。
可以免费下载有线的数据输入工具“DtRcv(Data Receiver)”,以实现用Excel(R)进行数据管理。※“ExRcv(Excel Receiver)”于2021年3月更新为“DtRcv(Data Receiver)”。※Excel(R)为微软公司的注册商标。
2020年4月紧固数据管理系统TDMS/TDMSHT升级为Ver3.00,标准规格支持ST3-BT/ST3-G-BT。
截至2019年9月,ST3-BT/ST3-G-BT符合日本、美国、加拿大、欧盟、泰国、墨西哥、越南、巴西、台湾、中国、新加坡、韩国、俄罗斯和马来西亚的通信标准。
转盘式峰值扭力计产品参数


转盘式峰值扭力计使用注意事项
SPINTORK(R)ST3系列不能连接冲击扳手使用。(由于电子零部件的破损而导致故障和精度不良)
彩博888 按照计量法规定,ST3-G/ST3-G-BT系列禁止在日本国内使用和以使用为目的进行销售。
转盘式峰值扭力计标准附件
彩博888 充电器BC-4-2、电源变换插头、长期保管用电源插头、便携箱、使用说明书、USB连接线(No.384 ※-BT型号不附带)、校准证书
转盘式峰值扭力计产品尺寸


彩博888 订购:转盘式峰值扭力计





.jpg)


1960544536