春亨产品中心
- 按产品特性分类
- 水平仪 偏心仪 角度计 直角尺 同心度仪 高速主轴 内外测卡规 打磨机 钻石膏 各种量表 磨刀石 研磨油石 切削刀具 研磨刷 研磨工具 磁性工具 放大镜 内视镜 卡尺 千分尺 圆周尺 扭力工具 针规 间隙规 速度测试 高度尺/计 测量工具 硬度计 段差尺 焊道规 V型座 磁性吸盘 推拉力计 吊重磁盘 工业胶粘剂 研磨抛光 钳类工具 旋具工具 热敏试纸 粘度计 电子称 金属锉刀 复制胶膜 螺帽规 背孔刀 气动主轴 自动换刀主轴 防静电主轴 MSIY电主轴 高精密主轴 大扭矩电主轴 高斯计 直角电主轴 进口百分表 扭力起子 中村扭力扳手 脱磁器 螺纹深度规 主轴增速刀柄 RBZ浮动主轴 中心出水电主轴 气浮主轴 螺纹规
- 按应用领域分类
- 工程机械 数控机床 汽车制造 电子/光电 橡胶皮革检测 船舶制造 实验室/研究院 纺织业 精加工 雕刻 珠宝首饰 陶瓷工业 抛光去毛刺 PCB分板机加工 铣削加工 钻孔动力头 医疗加工 走心机高频铣 浮动去毛刺 小径深孔加工
- 按品牌分类
- AAA ASKER B2 BOWERS CITIZEN DMT FUJITOOL FISSO FUJIGEN HONDA GLOI HEINE KANETEC IMADA KANON KAYDIAMOND KROEPLIN MEYER MARUI MITUTOYO NAKANISHI PEACOCK PEAK PHOENIX PI-TAPE RSK RHEINTACHO SK SPI SUN SUPERTECH SWAN UNIVERSAL NOVAPAX XEBEC WIXEY Teclock tohnichi 富士KOSOKU RUBICON KEIBA TAJIMA NIKON Stanley SPI Engeering MARKAL PTC TMC THERMAX RION SHINKO STAO佐藤 TSUBOSAN OSKAR SCHWENK MARK-10 Microset starrett EENPAIX OJIYAS DIGITECH ROECKLE tites swiss Yamato Cherry DAIWA RABIN MSIY NRS PPS NSK
相关资讯
- 中西换刀主轴NR50-5100ATC,PCB钻孔研磨切割可用
- 水平仪使用注意事项
- 响应北京机床展,RSK水平仪特价供应
- 气雾罐\喷雾罐专用卡规--KROEPLIN制造
- 铝合金焊缝打磨,机械臂加装msiy-80轴向浮动
- 加工中心0.4mm超细槽加工,加装中西模具主轴
- 日本强力高斯计tm-801exp标准磁场有多少MT?
- 走心机加装nakanishi高频铣钻0.1mm的孔,能钻多深?
- 排刀机加装MSIY电主轴,铝材铣扁位加工方案
- KANON预置式中村扭力起子
- 春亨工具国庆放假通知
- 小巧而不失大气 ——RSK小型水平仪
- 为何新购买的RSK水平仪不归零?
- 纳尼?超声波切割刀还能秒变超声波打磨机?
- 日本中村KANON扭力扳手调节轮改进
- 美国univer环球同心度仪的应用和选购
- 进口水平仪,当然选择日RSK品牌
- 电磁铁和永磁铁各有千秋,就看哪种适合您
- 铝合金大余量铣削,用大扭矩电主轴BMS-5010
- peacock孔雀测厚规可快速测量多种产品的外部尺寸
咨询热线:
13612997620
传真:彩博8880755-23033513
Q Q:
地址:深圳市宝安49区华创达文化科技产业园D栋507
产品详情
联系我们
西铁城CITIZEN电子比测探针DTH-L02U

西铁城CITIZEN电子比测探针DTH-L02U,测量范围±0.5mm,测量行程1.5mm,测定力0.0196N,可搭配西铁城电子显示器DTM-EA配套使用,适用于自动化检测。
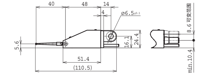
电子比测探针DTH-L02U产品尺寸

西铁城电子比测探针型号参数
彩博888探针型号:DTH-L02U
测量范围:±0.5mm
测量行程:1.5mm
测定力:0.0196N
零点位置:约0.5mm
重复精度:0.3μm
彩博888测头摩擦压力:1.47N以上
精度保证稳定范围:24°c±5°C
彩博888使用温度范围:0-50°C
标准配件:电源线3M,测头F-138
西铁城电子比测探针型号及参数
西铁城电子比测探针L系列有标准型和万向型两种,常用型号有DTH-15、DTH-L02U、DTH-L08U、DTH-L15U.

.
比测探针,西铁城探针
彩博888 订购:西铁城比测探针DTH-L02U








1960544536 
